FOC控制框架图



pmsm电机数学模型以及FOC控制框图(开源小项目==FOC控制BLDC电机)_foc 框图_栋哥爱做饭的博客-CSDN博客
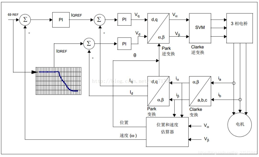
电机控制----FOC框架讲解_foc电机控制_修才生的博客-CSDN博客
相关文章:
FOC控制框架图
pmsm电机数学模型以及FOC控制框图(开源小项目FOC控制BLDC电机)_foc 框图_栋哥爱做饭的博客-CSDN博客 电机控制----FOC框架讲解_foc电机控制_修才生的博客-CSDN博客...
Spring工具类(获取bean,发布事件)
spring-beans-5.3.1.jar Component public final class SpringUtils implements BeanFactoryPostProcessor{/*** Spring应用上下文环境*/private static ConfigurableListableBeanFactory beanFactory;//初始化成员变量Overridepublic void postProcessBeanFactory(Configurab…...
腾讯云和阿里云服务器折扣对比_看看哪家划算?
阿里云服务器和腾讯云服务器根据购买时长可以享受一定的优惠折扣,综合对比下来腾讯云折扣更低,阿腾云来对比下阿里云和腾讯云的云服务器根据购买时长可以享受的常规折扣对比: 目录 阿里云和腾讯云折扣对比 阿里云服务器常规折扣 腾讯云服…...
GO语言中的Defer与Error异常报错详细教程
目录标题 一、Defer1. Example2. Deferred methods 延迟方法3. Arguments evaluation 延迟参数4. Stack of defers 延迟程序堆栈5. Practical use of defer 实际使用 二、Error1. Example2. PathError3. DNSError4. Direct Comparison 直接比较5. Do not ignore errors 不要忽略…...
AP6315 DC单节锂电池充电IC 同步2A锂电芯片
概述 是一款面向5V交流适配器的2A锂离子电池充电器。它是采用1.5MHz固定频率的同步降压型转换器,因此具有高达90%以上的充电效率,自身发热量极小。包括完整的充电终止电路、自动再充电和一个达1%的4.2V预设充电电压,内部集成了防反灌保护、输…...
PDF校对工具正式上线,为用户提供卓越的文档校对解决方案
为满足当下对数字化文档校对的精准需求,我们今日正式发布全新的PDF校对工具。经过深入的技术研发与细致的测试,该工具旨在为企业和个人用户带来一个高效且准确的PDF文档校对平台。 PDF校对工具的主要特性: 1.全面性校对:工具支持…...
WSL 配置 Oracle 19c 客户端
Windows WSL 登陆后显示如下: Welcome to Ubuntu 20.04.4 LTS (GNU/Linux 4.4.0-19041-Microsoft x86_64)* Documentation: https://help.ubuntu.com* Management: https://landscape.canonical.com* Support: https://ubuntu.com/advantageSystem information as…...
ChatGPT⼊门到精通(1):ChatGPT 是什么
⼀、直观感受 1、公司 OpenAI(美国) 2、官⽅⽹站 3、登录ChatGPT  at com.alibaba.druid.pool…...
软考高级系统架构设计师系列论文八十九:论软件需求分析方法和工具的选用
软考高级系统架构设计师系列论文八十九:论软件需求分析方法和工具的选用 一、软件需求相关知识点二、摘要三、正文四、总结一、软件需求相关知识点 软考高级系统架构设计师:论软件需求管理...
java八股文面试[JVM]——类加载器
一、类加载器的概念 类加载器是Java虚拟机用于加载类文件的一种机制。在Java中,每个类都由类加载器加载,并在运行时被创建为一个Class对象。类加载器负责从文件系统、网络或其他来源中加载类的字节码,并将其转换为可执行的Java对象。类加载器…...
CSS中如何实现元素之间的间距(Margin)合并效果?
聚沙成塔每天进步一点点 ⭐ 专栏简介⭐ 外边距合并的示例:⭐ 如何控制外边距合并:⭐ 写在最后 ⭐ 专栏简介 前端入门之旅:探索Web开发的奇妙世界 记得点击上方或者右侧链接订阅本专栏哦 几何带你启航前端之旅 欢迎来到前端入门之旅ÿ…...
【实操干货】如何开始用Qt Widgets编程?(三)
Qt 是目前最先进、最完整的跨平台C开发工具。它不仅完全实现了一次编写,所有平台无差别运行,更提供了几乎所有开发过程中需要用到的工具。如今,Qt已被运用于超过70个行业、数千家企业,支持数百万设备及应用。 在本文中࿰…...
基于深度学习的图像风格迁移发展总结
前言 本文总结深度学习领域的图像风格迁移发展脉络。重点关注随着GAN、CUT、StyleGAN、CLIP、Diffusion Model 这些网络出现以来,图像风格迁移在其上的发展。本文注重这些网络对图像风格迁移任务的影响,以及背后的关键技术和研究,并总结出一…...
小程序页面间有哪些传递数据的方法?
使用全局变量实现数据传递 在 app.js 文件中定义全局变量 globalData, 将需要存储的信息存放在里面使用的时候,直接使用 getApp() 拿到存储的信息 App({// 全局变量globalData: {userInfo: null} }) 使用 wx.navigateTo 与 wx.redirectTo 的时候&…...
bh002- Blazor hybrid / Maui 保存设置快速教程
1. 建立工程 bh002_ORM 源码 2. 添加 nuget 包 <PackageReference Include"BootstrapBlazor.WebAPI" Version"7.*" /> <PackageReference Include"FreeSql" Version"*" /> <PackageReference Include"FreeSql.…...
同源政策与CORS
CORS意为跨源资源共享(Cross origin resource sharing),它是一个W3C标准,由一系列HTTP Header组成,这些 HTTP Header决定了浏览器是否允许JavaScript 代码成功获得跨源请求的服务器响应。 在说CORS之前,先…...
科技资讯|三星再申请智能戒指商标,智能穿戴进入更小型化发展
三星正在积极扩展可穿戴设备生态,近日向英国知识产权局提交了名为“Samsung Curio”的新商标,其分类为“Class 9”,可能会用于未来的智能戒指。 智能戒指: 可穿戴计算机本质上的智能手环、智能项链、智能眼镜和智能戒指࿱…...
HarmonyOS开发第一步,熟知开发工具DevEco Studio
俗话说的好,工欲善其事,必先利其器,走进HarmonyOS第一步,开发工具必须先行,当然了,关于开发工具的使用,官网和其他的博客也有很多的讲解,但是并没有按照常用的功能进行概述ÿ…...
【应急响应】Linux常用基础命令
文章目录 文件和目录操作文件内容查看和编辑系统信息查询权限管理进程管理网络管理 文件和目录操作 ls:列出目录内容(例如 ls -l 显示详细信息) cd:切换工作目录 pwd:显示当前工作目录 touch:创建空文件&a…...
Ludusavi完整指南:如何专业备份和管理PC游戏存档
Ludusavi完整指南:如何专业备份和管理PC游戏存档 【免费下载链接】ludusavi Backup tool for PC game saves 项目地址: https://gitcode.com/gh_mirrors/lu/ludusavi Ludusavi是一款基于Rust语言开发的跨平台PC游戏存档备份工具,专为保护玩家游戏…...
老旧Mac如何重获新生?OCLP-Mod带来的系统升级解决方案
老旧Mac如何重获新生?OCLP-Mod带来的系统升级解决方案 【免费下载链接】OCLP-Mod A mod version for OCLP,with more interesting features. 项目地址: https://gitcode.com/gh_mirrors/oc/OCLP-Mod 随着科技的快速迭代,许多曾经性能卓越的Mac设备…...
多层PCB结构与设计核心技术解析
多层PCB内部结构解析与设计指南1. 多层PCB技术概述1.1 多层PCB的基本概念现代电子设备对电路板的要求越来越高,多层PCB已成为复杂电子系统的标准配置。与单层或双层PCB相比,多层PCB通过在绝缘基材上叠加多个导电层,实现了更高的布线密度和更优…...
项目分享|VibeVoice:微软开源的前沿语音AI
引言 在语音合成(TTS)技术领域,长篇幅、多说话者、低延迟的自然语音生成一直是行业痛点。传统TTS模型往往受限于生成时长、说话者数量或实时响应速度,难以满足播客制作、智能对话等复杂场景需求。微软开源的VibeVoice框架彻底打破…...
全能B站资源管理工具:BiliTools让视频下载与管理效率提升90%
全能B站资源管理工具:BiliTools让视频下载与管理效率提升90% 【免费下载链接】BiliTools A cross-platform bilibili toolbox. 跨平台哔哩哔哩工具箱,支持视频、音乐、番剧、课程下载……持续更新 项目地址: https://gitcode.com/GitHub_Trending/bili…...
OpenClaw+Qwen3-32B科研助手:文献综述自动生成与参考文献整理
OpenClawQwen3-32B科研助手:文献综述自动生成与参考文献整理 1. 为什么需要AI科研助手? 作为一名计算机专业的研究生,我每天要处理大量文献。最痛苦的时刻莫过于导师突然说"下周组会做个文献综述",而我手头只有几十篇…...
python-flask-djangol框架的关爱空巢老人和孩子留守儿童管理系统的设计和实现
目录需求分析与规划技术选型核心模块设计数据安全与权限开发与测试计划社区与可持续性项目技术支持源码获取详细视频演示 :文章底部获取博主联系方式!同行可合作需求分析与规划 明确系统核心功能模块:空巢老人健康监测、留守儿童学习与心理辅…...
像素时装锻造坊入门必看:预设咒语+Forge Scale滑块参数详解
像素时装锻造坊入门必看:预设咒语Forge Scale滑块参数详解 1. 工具介绍:像素时装锻造坊 像素时装锻造坊(Pixel Fashion Atelier)是一款基于Stable Diffusion与Anything-v5模型的图像生成工具。它采用独特的复古日系RPG界面设计&…...
5分钟搞定PaddleOCR文字识别:Python版保姆级教程(附完整代码)
5分钟极速上手PaddleOCR:Python实战指南与避坑手册 第一次接触OCR技术时,我被那些复杂的配置参数和晦涩的文档吓退了三次。直到发现PaddleOCR这个"开箱即用"的工具,才明白原来文字识别可以如此简单。本文将带你用最直接的方式&…...
Stable Diffusion VAE重构图像效果不理想?可能是你忘了调整这个关键参数
Stable Diffusion VAE图像重构效果优化指南:关键参数解析与实战调整 当你第一次使用Stable Diffusion的VAE(Variational Autoencoder)进行图像重构时,可能会遇到这样的困惑:明明按照教程一步步操作,为什么输…...
