电阻串联的作用
电阻串联常见作用
第一个作用是:阻抗匹配:
因为信号源的阻抗很低,跟信号线之间阻抗不匹配,串上一个电阻后,可以改善匹配情况,以减少反射,避免振荡等。
常见的阻抗匹配方法
1、使用变压器来做阻抗转换。
2、用串联/并联电容或电感的办法,这在调试射频电路时常使用。
3、使用串联/并联电阻的办法。一些驱动器的阻抗比较低,可以串联一个合适的电阻来跟传输线匹配,例如高速信号线,有时会串联一个几十欧的电阻。而一些接收器的输入阻抗则比较高,可以使用并联电阻的方法,来跟传输线匹配,例如,485总线接收器,常在数据线终端并联120欧的匹配电阻。
4、改变阻抗力。通过电容、电感与负载的串并联调整负载阻抗值,以达到源和负载阻抗匹配。
5、调整传输线。调整传输线是加长源和负载间的距离,配合电容和电感把阻抗力调整为零。此时信号不会发生发射,能量都能被负载吸收。高速PCB布线中,一般把数字信号的走线阻抗设计为50欧姆。一般规定同轴电缆基带50欧姆,频带75欧姆,对绞线(差分)为85-100欧姆。
第二个作用是:可以减少信号边沿的陡峭程度,从而减少高频噪声以及过冲等。
因为串联的电阻,跟信号线的分布电容以及负载的输入电容等形成一个RC电路,这样就会降低信号边沿的陡峭程度。大家知道,如果一个信号的边沿非常陡峭,含有大量的高频成分,将会辐射干扰,另外,也容易产生过冲。
通常,在高速信号线中才考虑使用这样的电阻。在低频情况下,一般是直接连接。
接下来将结合具体案例来讲解电阻串联的作用。
电阻串联具体应用
1、SPI信号线

SPI信号图
SPI信号上串联电阻,一般是几十欧姆左右,一般有如下几个作用:
1)阻抗匹配。因为信号源的阻抗很低,跟信号线之间阻抗不匹配,串上一个电阻后,可改善匹配情况,以减少反射。
2)SPI的速率较高,串联一个电阻,与线上电容和负载电容构成RC电路,减少信号陡峭,避免过冲,过冲有时候会损坏芯片GPIO,当然对EMI也有好处,尤其是高速电路。
3)调试方便,现在的芯片很多是BGA、QFN封装,串联一个电阻,调试时用示波器抓取波形方便。
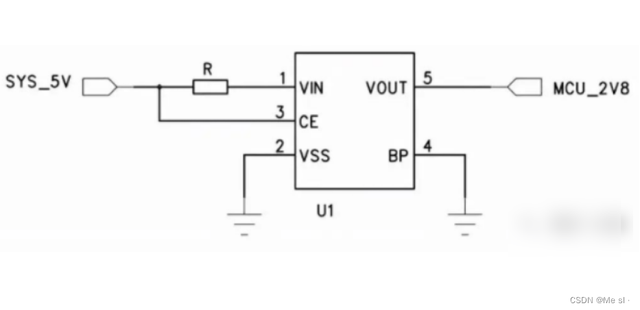
2、LDO输入端

LDO输入端图
当LDO的VIN absolute maximum接近电源电压时,这时候又不想换高规格的LDO,为了节省成本,这时可以串一个小阻值电阻,能吸收一部分电压和电流,当电源端出现更大的浪涌时,电阻会身先士卒,代价更小。
假设LDO击穿,VIN和GND短路,因为串联电阻R的存在,也会避免电源SYS_5V与GND的短路。
3、TVS前后串联电阻

TVS串联电阻图一

TVS串联电阻图二
TVS串联电阻一般有两种接法,第一个图电阻在TVS前,第二图电阻在TVS后,两种电路使用场景是不一样的。
先问大家一个问题,电阻和TVS哪个抗浪涌能力强?答案毋庸置疑,当然是TVS。
1)对第一个图来说,首先要考虑浪涌大小,如果不大,可以选择一个合适功率的电阻,电阻在TVS前面,会吸收很小一部分的电流,浪涌电流IPP小了之后,对应TVS的Vc(钳位电压)也会变小,对后端负载的保护更好。

相关文章:
电阻串联的作用
电阻串联常见作用 第一个作用是:阻抗匹配: 因为信号源的阻抗很低,跟信号线之间阻抗不匹配,串上一个电阻后,可以改善匹配情况,以减少反射,避免振荡等。 常见的阻抗匹配方法 1、使用变压器来做…...
leetcode 1675. Minimize Deviation in Array(最小化数组偏差)
数组里面有n个正整数,里面的数字可以无限次进行如下操作: 1.偶数可以除以2 2.奇数可以乘以2 数组中任意两元素差的最大值称为偏差。 把数组中的元素进行上面2种操作,使偏差最小。 思路: 数组中现有2种数字,一种是奇数…...
特征向量中心度(eigenvector centrality)算法原理与源码解析
前言 随着图谱应用的普及,图深度学习技术也逐渐被越来越多的数据挖掘团队所青睐。传统机器学习主要是对独立同分布个体的统计学习,而图深度学习则是在此基础上扩展到了非欧式空间的图数据之上,通过借鉴NLP和CV方向的模型思想,衍生…...
Vue3 中组件的使用(上)
目录前言:一、什么是组件二、注册组件1. 全局注册2. 局部注册二、传递数据【父 -> 子】1. 字符串数组的形式2. 对象的形式三、组件事件【子 -> 父】1. 字符串数组式声明自定义事件2. 【子组件】触发组件事件3. 【父组件】监听子组件自定义事件4. 组件事件例子…...
spring-boot、spring-cloud、spring-cloud-alibaba版本对应
一、查询 spring-boot(spring-boot-starter-parent) 版本号 https://mvnrepository.com/artifact/org.springframework.boot/spring-boot-starter-parent 二、查询 spring-cloud(spring-cloud-dependencies) 版本号 https://mvnrepository.com/artifact/org.springframework…...
【沐风老师】3DMAX一键楼梯脚本插件StairGenerator使用教程
3DMAX一键楼梯插件StairGenerator,不需要花费太多的时间,轻松从2D平面图生成3D楼梯模型,生成的楼梯模型细节丰富真实。 【主要功能】 1.简单:轻松实现2D到3D建模。 2.具有最详细三维结构的台阶平面图。 3.楼梯各部件完全参数化…...
OpenShift 简介
OpenShift 是红帽 Red Hat 公司基于开源的云平台,是平台即服务(PaaS),是一种容器应用平台。允许开发人员构建、测试和部署云应用。该系统是在 K8S 核心之上添加工具,从而实现更快的应用开发、部署及扩展。 在 OpenShi…...
netty自定义封包实现
文章目录说明分享内置编码器和解码器解码器编码器代码实现创建核心类消息实体类自定义编码类自定义解码类服务端ServerHandler入口类客户端ClientHandler入口类测试参考总结说明 netty是java重要的企业级NIO,使用它可以快速实现很多功能通信功能如:http、…...
ORA error集锦
1、oralce 数据客户端需要安装的问题 保存信息为: “无法连接到数据库,因为数据库客户端软件无法加载。确保已正确安装并配置数据库客户端软件” 从百度网盘下载,并安装win32 oracle client 安装包 2、ORA错误 “执行异常,ORA-00911: inval…...
格雷码的实现
格雷码:任意两个相邻的二进制数之间只有一位不同 想必通信专业的学生应该都接触过格雷码,它出现在数电、通信原理等课程里。 如下图所示一个四位格雷码是什么样子的: 格雷码的特点: 其最大的特点是任意上下相邻的两个码值间&am…...
快到金3银4了,准备跳槽的可以看看
前两天跟朋友感慨,今年的铜九铁十、裁员、疫情导致好多人都没拿到offer!现在已经12月了,具体明年的金三银四只剩下两个月。 对于想跳槽的职场人来说,绝对要从现在开始做准备了。这时候,很多高薪技术岗、管理岗的缺口和市场需求也…...
最新BlackArch发布,提供1400款渗透测试工具
近日,BlackArch Linux新版本发布,此版本为白帽子和安全研究人员提供了大约1400款渗透测试工具,如果你是一位白帽子或者安全研究人员,这个消息无疑会让你很感兴趣。BlackArch Linux是一款基于Arch Linux的发行版,主要面…...
重走前端路JS进阶篇:This 指向与箭头函数
JavaScript 高级 This 指向规则 案例 function foo() {console.log(this)}// 1 调用方式1foo();// 2 调用方式2 放入对象中调用var obj {name: "why",foo: foo}obj.foo()// 调用方式三 通过 call/apply 调用foo.call("abc")指向定义 this 是js 给函数的…...
Python基础:函数式编程
一、概述 Python是一门多范式的编程语言,它同时支持过程式、面向对象和函数式的编程范式。因此,在Python中提供了很多符合 函数式编程 风格的特性和工具。 二、lambda表达式(匿名函数) 除了 函数 中介绍的 def语句,P…...
【YBT2023寒假Day14 C】字符串题(SAM)(树链剖分)(线段树)
字符串题 题目链接:YBT2023寒假Day14 C 题目大意 对于一个字符串 S 定义 F(S) 是 fail 树上除了 0 点其它点的深度和。 G(S) 是 S 每个子串 S’ 的 F(S’) 之和。 然后一个空串,每次在后面加一个字符,要你维护这个串的 G 值。 思路 考虑…...
Tailwind CSS 在Vue中的使用
什么是Tailwind CSS? Tailwind CSS 是一个功能类优先的 CSS 框架,它集成了诸如 flex, pt-4, text-center 和 rotate-90 这样的的类,支持 hover 和 focus 样式,它们能直接在脚本标记语言中组合起来,构建出任何设计。 …...
三层楼100人办公网络如何规划设计实施(实战案例)
如何设计组网 1.采用防火墙+三层交换机+二层POE交换机+AP的方案 2.三层交换机作为网络的核心,提供网络的配置、划分和各个VLAN间的数据交换,而每个VLAN由二层交换机组建 3.网络主干设备的选型,建议网络主干设备或核心层设备选择具备第3层交换功能的高性能主干交换机。 4…...
Redis:实现全局唯一ID
Redis:实现全局唯一ID一. 概述二. 实现(1)获取初始时间戳(2)生成全局ID三. 测试为什么可以实现全局唯一?其他唯一ID策略补充:countDownLatch一. 概述 全局ID生成器:是一种在【分布式…...
webpack打包基本原理——实现webpack打包核心功能
webpack打包的基本原理 核心功能就是把我们写的模块化代码转换成浏览器能够识别运行的代码,话不多说我们一起来了解它 首先我们建一个空项目用 npm init -y 创建一个初始化的,在跟目录下创建src文件夹,src下创建index.js,add.js…...
git的使用(终端输入指令) 上
git目录前言1.创建仓库2.创建文件和修改数据状态分区3 .删除、撤销重置 、和比较前言 今天带大家手把手敲一遍 git 流程: 安装一下git(详细观看我之前发的git文档࿰…...
JavaSec-RCE
简介 RCE(Remote Code Execution),可以分为:命令注入(Command Injection)、代码注入(Code Injection) 代码注入 1.漏洞场景:Groovy代码注入 Groovy是一种基于JVM的动态语言,语法简洁,支持闭包、动态类型和Java互操作性,…...
鸿蒙中用HarmonyOS SDK应用服务 HarmonyOS5开发一个医院挂号小程序
一、开发准备 环境搭建: 安装DevEco Studio 3.0或更高版本配置HarmonyOS SDK申请开发者账号 项目创建: File > New > Create Project > Application (选择"Empty Ability") 二、核心功能实现 1. 医院科室展示 /…...
376. Wiggle Subsequence
376. Wiggle Subsequence 代码 class Solution { public:int wiggleMaxLength(vector<int>& nums) {int n nums.size();int res 1;int prediff 0;int curdiff 0;for(int i 0;i < n-1;i){curdiff nums[i1] - nums[i];if( (prediff > 0 && curdif…...
c++ 面试题(1)-----深度优先搜索(DFS)实现
操作系统:ubuntu22.04 IDE:Visual Studio Code 编程语言:C11 题目描述 地上有一个 m 行 n 列的方格,从坐标 [0,0] 起始。一个机器人可以从某一格移动到上下左右四个格子,但不能进入行坐标和列坐标的数位之和大于 k 的格子。 例…...
Nginx server_name 配置说明
Nginx 是一个高性能的反向代理和负载均衡服务器,其核心配置之一是 server 块中的 server_name 指令。server_name 决定了 Nginx 如何根据客户端请求的 Host 头匹配对应的虚拟主机(Virtual Host)。 1. 简介 Nginx 使用 server_name 指令来确定…...
Device Mapper 机制
Device Mapper 机制详解 Device Mapper(简称 DM)是 Linux 内核中的一套通用块设备映射框架,为 LVM、加密磁盘、RAID 等提供底层支持。本文将详细介绍 Device Mapper 的原理、实现、内核配置、常用工具、操作测试流程,并配以详细的…...
安全突围:重塑内生安全体系:齐向东在2025年BCS大会的演讲
文章目录 前言第一部分:体系力量是突围之钥第一重困境是体系思想落地不畅。第二重困境是大小体系融合瓶颈。第三重困境是“小体系”运营梗阻。 第二部分:体系矛盾是突围之障一是数据孤岛的障碍。二是投入不足的障碍。三是新旧兼容难的障碍。 第三部分&am…...
uniapp 小程序 学习(一)
利用Hbuilder 创建项目 运行到内置浏览器看效果 下载微信小程序 安装到Hbuilder 下载地址 :开发者工具默认安装 设置服务端口号 在Hbuilder中设置微信小程序 配置 找到运行设置,将微信开发者工具放入到Hbuilder中, 打开后出现 如下 bug 解…...
[论文阅读]TrustRAG: Enhancing Robustness and Trustworthiness in RAG
TrustRAG: Enhancing Robustness and Trustworthiness in RAG [2501.00879] TrustRAG: Enhancing Robustness and Trustworthiness in Retrieval-Augmented Generation 代码:HuichiZhou/TrustRAG: Code for "TrustRAG: Enhancing Robustness and Trustworthin…...
【HarmonyOS 5】鸿蒙中Stage模型与FA模型详解
一、前言 在HarmonyOS 5的应用开发模型中,featureAbility是旧版FA模型(Feature Ability)的用法,Stage模型已采用全新的应用架构,推荐使用组件化的上下文获取方式,而非依赖featureAbility。 FA大概是API7之…...
