GR2103高压半桥栅极驱动芯片
产品简介
GR2103封装和丝印

GR2103是一款高性价比的高压半桥栅极驱动专用芯片,设计用于高压、高速驱动N型大功率 MOS管、IGBT管。内置欠压(UVLO)保护功能,防止功率管在过低的电压下工作,提高效率。内置防止直通功能和死区时间,防止功率管发生直通,有效保护功率器件。广泛应用于无刷电机的控制器电路中。
参考价格(20250117)
1+:¥0.458/个
4000+:¥0.318/个@4000 pcs/盘
产品特点
悬浮绝对电压+620V
高端输出与高端输入同相
低端输出与低端输入反相
VCC欠压保护(UVLO)
3.3V/5V输入逻辑兼容
封装形式:S0P8、S0IC8
工作电压 10V~20V
拉电流(IOH) 600uA
灌电流(IOL) 600uA
负载类型 IGBT
驱动通道数 2
驱动配置 半桥
产品用途
电机驱动
DC-DC 转换器
封装形式和管脚功能定义

| 管脚序号 | 管脚定义 | 功能说明 |
|---|---|---|
| 1 | VCC | 低侧供电电压 |
| 2 | HIN | 高侧输入 |
| 3 | LIN | 低侧输入 |
| 4 | GND | 接地 |
| 5 | LO | 低侧输出 |
| 6 | VS | 高侧悬浮地电压 |
| 7 | HO | 高侧输出 |
| 8 | VB | 高侧悬浮绝对电压 |
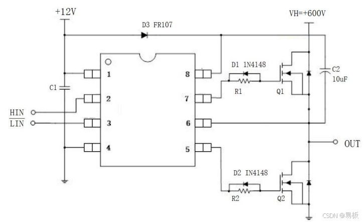
典型应用电路

C1:电源滤波电容,根据电路情况可选择1μF~100μF,尽可能的靠近芯片管脚。
R1 R2:栅极驱动电阻,阻值根据被驱动器件而定。
D3:自举二极管,应选择高反向击穿电压的肖特基二极管。
C2:自举电容,应选择陶瓷电容或钽电容,根据电路情况可选择 1μF~50μF,电容应尽可能的靠近芯片管脚。
VCC:建议接12~15V 低压电源。
HIN、LIN̅̅̅̅̅:接逻辑控制信号。
NMOS 管:依据应用选择相应耐高压的功率器件。
注:以上线路及参数仅供参考,实际的应用电路根据实测结果设定参数。
推荐工作条件
| 参数名称 | 符号 | 最小值 | 最大值 | 单位 |
|---|---|---|---|---|
| 高侧浮动绝对电压 | VB | VS+10 | VS+20 | V |
| 高侧浮动偏移电压 | VS | -5 | 600 | V |
| 高侧输出电压 | VHO | VS | VB | V |
| 低侧供电电压 | VCC | 10 | 20 | V |
| 低侧输出电压 | VLO | 0 | VCC | V |
| 逻辑输入电压 | VIN | 0 | VCC | V |
| 工作温度 | T A | 0 | 60 | ℃ |
电学特性参数
(TA =25C,VCC=VB=15V,VS=GND,除特别注明外。)
| 项目 | 符号 | 测试条件 | 最小值 | 典型值 | 最大值 | 单位 |
|---|---|---|---|---|---|---|
| 高电平输入阈值电压 | VIH | 2.7 | – | – | V | |
| 低电平输入阈值电压 | VIL | – | – | 0.8 | V | |
| V CC 欠压保护跳闸电压 | VCCUV+ | – | 9.3 | 9.8 | V | |
| V CC 欠压保护复位电压 | VCCUV- | 7.3 | 8.8 | – | V | |
| V CC 欠压保护迟滞电压 | VCCUVH | – | 0.5 | – | V | |
| 悬浮电源漏电流 | ILK | VB =VS =180V | – | 0.1 | 5.0 | μA |
| V BS 静态电流 | IQBS | VIN =0V 或 5V | – | – | 200 | μA |
| V CC 静态电流 | IQCCL | VIN =0V | – | 90 | 600 | uA |
| V CC 静态电流 | IQCCH | VIN = 5V | – | 170 | 600 | uA |
| LIN 高电平输入偏置电流 | ILIN+ | VLIN =0V | – | 30 | 120 | μA |
| LIN低电平输入偏置电流 | ILIN- | VLIN =5V | – | – | 2 | μA |
| HIN高电平输入偏置电流 | IHIN+ | VHIN =5V | – | 20 | 120 | μA |
| HIN低电平输入偏置电流 | IHIN- | VHIN =0V | – | – | 2 | μA |
| 输出高电平电压 | VOH | IO =20mA | – | 0.2 | 0.3 | V |
| 输出低电平电压 | VOL | IO =20mA | – | 0.06 | 0.2 | V |
| V S 静态负压 | VSN | – | -6.0 | – | V |
交流 开关 特性
(T A =25℃,VCC=VB=15V,VS=GND 除非特别指定,见测试方法)
| 项目 | 符号 | 测试条件 | 最小值 | 典型值 | 最大值 | 单位 |
|---|---|---|---|---|---|---|
| 输出开延时 | ton | CL=1nF | – | 300 | – | ns |
| 输出关延时 | toff | CL=1nF | – | 130 | – | ns |
| 输出上升时间 | tr | CL=1nF | – | 10 | – | ns |
| 输出下降时间 | tf | CL=1nF | – | 10 | – | ns |
| 死区时间 | DT | – | 280 | – | ns |
原理框图

逻辑真值表
| 输入信号 | 输入信号 | 输出 | 输出 |
|---|---|---|---|
| HIN | /LIN | HO | LO |
| 0 | 0 | 0 | 1 |
| 0 | 1 | 0 | 0 |
| 1 | 0 | 0 | 0 |
| 1 | 1 | 1 | 0 |
逻辑输入输出波形示意图

时间测试方法
1 、 开关特性波形示意图

2 、死区时间测试

相关文章:
GR2103高压半桥栅极驱动芯片
产品简介 GR2103封装和丝印 GR2103是一款高性价比的高压半桥栅极驱动专用芯片,设计用于高压、高速驱动N型大功率 MOS管、IGBT管。内置欠压(UVLO)保护功能,防止功率管在过低的电压下工作,提高效率。内置防止直通功能…...
学习threejs,使用OrbitControls相机控制器
👨⚕️ 主页: gis分享者 👨⚕️ 感谢各位大佬 点赞👍 收藏⭐ 留言📝 加关注✅! 👨⚕️ 收录于专栏:threejs gis工程师 文章目录 一、🍀前言1.1 ☘️THREE.OrbitControls 相机控…...
说说Babylon.js中scene.deltaTime的大坑
诡异的问题 下面是给一个材质设置发光颜色周期变化和纹理偏移的代码,你能感觉到这里面可能出现的问题吗? var passTime 0;var uOffset 0;var deltaTime 0;function SetEmissiveColor() {passTime scene.deltaTime * 0.05;if(passTime > 6.2…...
【React】win系统环境搭建
动图更精彩 方案如下 在Visual Studio Code(VSCode)中搭建React开发环境是一个相对简单但非常重要的步骤,可以帮助你更高效地进行前端开发。以下是详细的步骤和配置指南: 一、准备工作 安装Visual Studio Code (VSCode)&#x…...
ThinkPHP 8的一对一关联
【图书介绍】《ThinkPHP 8高效构建Web应用》-CSDN博客 《2025新书 ThinkPHP 8高效构建Web应用 编程与应用开发丛书 夏磊 清华大学出版社教材书籍 9787302678236 ThinkPHP 8高效构建Web应用》【摘要 书评 试读】- 京东图书 使用VS Code开发ThinkPHP项目-CSDN博客 编程与应用开…...
Linux 下配置 Golang 环境
go sdk 下载环境:https://golang.google.cn/dl/选择对应的版本: 使用 wget 直接拉包下载到服务器中 wget https://golang.google.cn/dl/go1.23.4.linux-amd64.tar.gz如果找不到 wget 命令,yum 下载 wget yum -y install wget配置 go 的环境…...
爬虫后的数据处理与使用(使用篇--实现分类预测)
()紧接上文,在完成基本的数据处理后,接下来就是正常的使用了。当然怎么用,确实需要好好思考一下~ 上文:爬虫后的数据处理与使用(处理篇) 前言: 一般来说,我…...
arcgis提取不规则栅格数据的矢量边界
效果 1、准备数据 栅格数据:dem或者dsm 2、栅格重分类 分成两类即可 3、新建线面图层 在目录下选择预先准备好的文件夹,点击右键,选择“新建”→“Shapefile”,新建一个Shapefile文件。 在弹出的“新建Shapefile”对话框内“名称”命名为“折线”,“要素类型”选…...
python milvus 如何检查有多少个collection 以及多少个index,多少个database
在 Milvus 中,可以通过 Python 客户端(`pymilvus`)来检查当前有多少个集合(Collection)、索引(Index)和数据库(Database)。以下是具体的方法: --- ### 1. 检查有多少个集合(Collection) 使用 `list_collections()` 方法可以列出当前连接的所有集合。 ```python…...
2006-2020年各省工业增加值数据
2006-2020年各省工业增加值数据 1、时间:2006-2020年 2、来源:国家统计局、统计年鉴 3、指标:行政区划代码、地区名称、年份、工业增加值 4、范围:31省 5、指标解释:工业增加值是指工业企业在一定时期内以货币形式…...
【MySQL】使用C语言链接
🌈 个人主页:Zfox_ 🔥 系列专栏:MySQL 目录 一:🔥 MySQL connect 🦋 Connector / C 使用🦋 mysql 接口介绍🦋 完整代码样例 二:🔥 共勉 一&#…...
Vue篇-07
Vue UI组件库 一、移动端常用的UI组件库 1.1、Vant 1.2、Cube UI 1.3、Mint UI 二、PC端常用的UI组件库 2.1、Element UI Element - The worlds most popular Vue UI framework 安装: 按需引入: 135_尚硅谷Vue技术_element-ui按需引入_哔哩哔哩_b…...
使用 LLaMA-Factory 微调大模型
本文将介绍如下内容: 一、搭建 Docker Container 环境二、配置大模型训练环境三、构建、配置数据集四、训练大模型 一、搭建 Docker Container 环境 笔者此前多篇文章说明,此处不再赘述,可参考:NGC容器中快速搭建Jupyter环境 E…...
数据仓库的复用性:模型层面通用指标体系、参数化模型、版本化管理
在数据仓库设计中,复用性 是一个关键原则,它不仅能提升数据资产的使用效率,还能降低开发成本、优化系统运维。下面将从 模型层面的复用性、通用指标体系、参数化模型、版本化管理 四个方面进行详细介绍,并提供可落地的设计方案。 …...
Web APP 阶段性综述
Web APP 阶段性综述 当前,Web APP 主要应用于电脑端,常被用于部署数据分析、机器学习及深度学习等高算力需求的任务。在医学与生物信息学领域,Web APP 扮演着重要角色。在生物信息学领域,诸多工具以 Web APP 的形式呈现ÿ…...
某国际大型超市电商销售数据分析和可视化
完整源码项目包获取→点击文章末尾名片! 本作品将从人、货、场三个维度,即客户维度、产品维度、区域维度(补充时间维度与其他维度)对某国际大型超市的销售情况进行数据分析和可视化报告展示,从而为该超市在弄清用户消费…...
电子杂志制作平台哪个好
作为一个热爱分享的人,我试过了好几个平台,终于找到了几款比较好用得电子杂志制作平台,都是操作界面很简洁,上手非常快的工具。 FLBOOK:这是一款在线制作H5电子画册软件,提供了各种类型的模板,可支持添加…...
Django Admin 实战:实现 ECS 集群批量同步功能
引言 在管理大规模 AWS ECS (Elastic Container Service) 集群时,保持本地数据库与 AWS 实际状态的同步是一项关键任务。手动更新既耗时又容易出错,因此自动化这个过程变得尤为重要。本文将介绍如何利用 Django Admin 的自定义动作功能来实现 ECS 集群的批量同步操作,从而大…...
虚拟拨号技术(GOIP|VOIP)【基于IP的语音传输转换给不法分子的境外来电披上一层外衣】: Voice over Internet Protocol
文章目录 引言I 虚拟拨号技术(GOIP|VOIP)原理特性:隐蔽性和欺骗性II “GOIP”设备原理主要功能III 基于IP的语音传输 “VOIP” (Voice over Internet Protocol)IV “断卡行动”“断卡行动”目的电信运营商为打击电诈的工作V 知识扩展虚拟号保护隐私虚拟运营商被用于拨打骚扰…...
迅为RK3576开发板Android 多屏显示
迅为iTOP-3576开发板采用瑞芯微RK3576高性能、低功耗的应用处理芯片,集成了4个Cortex-A72和4个Cortex-A53核心,以及独立的NEON协处理器。它适用于ARM PC、边缘计算、个人移动互联网设备及其他多媒体产品。 1.1 Android 多屏同显 iTOP-RK3576 开发板支持…...
KubeSphere 容器平台高可用:环境搭建与可视化操作指南
Linux_k8s篇 欢迎来到Linux的世界,看笔记好好学多敲多打,每个人都是大神! 题目:KubeSphere 容器平台高可用:环境搭建与可视化操作指南 版本号: 1.0,0 作者: 老王要学习 日期: 2025.06.05 适用环境: Ubuntu22 文档说…...
安宝特方案丨XRSOP人员作业标准化管理平台:AR智慧点检验收套件
在选煤厂、化工厂、钢铁厂等过程生产型企业,其生产设备的运行效率和非计划停机对工业制造效益有较大影响。 随着企业自动化和智能化建设的推进,需提前预防假检、错检、漏检,推动智慧生产运维系统数据的流动和现场赋能应用。同时,…...
3403. 从盒子中找出字典序最大的字符串 I
3403. 从盒子中找出字典序最大的字符串 I 题目链接:3403. 从盒子中找出字典序最大的字符串 I 代码如下: class Solution { public:string answerString(string word, int numFriends) {if (numFriends 1) {return word;}string res;for (int i 0;i &…...
什么?连接服务器也能可视化显示界面?:基于X11 Forwarding + CentOS + MobaXterm实战指南
文章目录 什么是X11?环境准备实战步骤1️⃣ 服务器端配置(CentOS)2️⃣ 客户端配置(MobaXterm)3️⃣ 验证X11 Forwarding4️⃣ 运行自定义GUI程序(Python示例)5️⃣ 成功效果: mermaid graph LR A((A)) --- B((B)) B --- C((C)) C --- D((D)) D --- A A -.- C[无直接路径] B -…...
AI+无人机如何守护濒危物种?YOLOv8实现95%精准识别
【导读】 野生动物监测在理解和保护生态系统中发挥着至关重要的作用。然而,传统的野生动物观察方法往往耗时耗力、成本高昂且范围有限。无人机的出现为野生动物监测提供了有前景的替代方案,能够实现大范围覆盖并远程采集数据。尽管具备这些优势…...
【网络安全】开源系统getshell漏洞挖掘
审计过程: 在入口文件admin/index.php中: 用户可以通过m,c,a等参数控制加载的文件和方法,在app/system/entrance.php中存在重点代码: 当M_TYPE system并且M_MODULE include时,会设置常量PATH_OWN_FILE为PATH_APP.M_T…...
LCTF液晶可调谐滤波器在多光谱相机捕捉无人机目标检测中的作用
中达瑞和自2005年成立以来,一直在光谱成像领域深度钻研和发展,始终致力于研发高性能、高可靠性的光谱成像相机,为科研院校提供更优的产品和服务。在《低空背景下无人机目标的光谱特征研究及目标检测应用》这篇论文中提到中达瑞和 LCTF 作为多…...
在RK3588上搭建ROS1环境:创建节点与数据可视化实战指南
在RK3588上搭建ROS1环境:创建节点与数据可视化实战指南 背景介绍完整操作步骤1. 创建Docker容器环境2. 验证GUI显示功能3. 安装ROS Noetic4. 配置环境变量5. 创建ROS节点(小球运动模拟)6. 配置RVIZ默认视图7. 创建启动脚本8. 运行可视化系统效果展示与交互技术解析ROS节点通…...
