深度负反馈
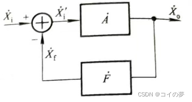
负反馈放大电路的方块图
因为负反馈放大电路有四种组态,而且对于同一种组态,具体电路也各不相同;所以为了研究负反馈放大电路的共同规律,可以利用方块图来描述所有电路
一.负反馈放大电路的方块图表示法
任何负反馈放大电路都可以用下图所示的方块图来表示,上面一个方块是负反馈放大电路的基本放大电路,下面一个方块是负反馈放大电路的反馈网络

负反馈放大电路的基本放大电路是在断开反馈且考虑了反馈网络的负载效应的情况下所构成的放大电路;反馈网络是指与反馈系数F有关的所有元器件构成的网络
图中Xi为输入量,Xf为反馈量,Xi'为净输入量,Xo为输出量。
图中连线的箭头表示信号的流通方向,说明方块图中的信号时单向流通的,即输入信号Xi仅通过基本放大电路传递到输出,而输出信号Xo仅通过反馈网络传递到输入。即Xi不通过反馈网络传递到输出,Xo也不通过基本放大电路传递到输入。
输入端的圆圈表示信号Xi和Xf在此叠加,三者之间的关系为Xi'=Xi-Xf
在信号的中频段,Xi'、Xi和Xf均为实数,所以可以写为
|Xi'|=|Xi|-|Xf|
在方块图中定义基本放大电路的放大倍数为A=Xo/Xi'
反馈系数为F=Xf/Xo
负反馈放大电路的放大倍数(闭环放大倍数)为Af=Xo/Xi
因此有AF=Xf/Xi'
AF称为电路的环路放大倍数
二.四种组态电路的方块图

若将负反馈放大电路的基本放大电路与反馈网络均看为二端口网络,则不同反馈组态表明两个网络的不同连接方式
由于电压负反馈电路中Xo=Uo,电流负反馈电路中Xo=Io,串联负反馈电路中,Xi=Ui,Xi'=Ui',Xf=Uf,并联负反馈电路中,Xi=Ii,Xi'=Ii,Xf=If,因此,不同的反馈组态,A、F和Af的物理意义不同,量纲也不同,电路实现的控制关系不同,因而功能也就不同

三.负反馈放大电路的一般表达式
Af=Xo/Xi=Xo/(Xi'+Xf)=AXi'/(Xi'+AFXi')
由此得到Af的一般表达式Af=A/1+AF,在中频段,Af、A和F均为实数
当电路引入负反馈时,AF>0,表明引入负反馈后电路的放大倍数等于基本放大电路放大倍数的1+AF分之一,而且A、F和Af的符号相同
倘若在分析中发现AF<0,即1+AF<1,即|Af|>|A|,则说明电路中引入了正反馈,而若AF=-1,使1+AF=0,则说明电路在输入量为零时就有输出,称电路产生了自我激荡
若电路引入深度负反馈,即1+AF>>1,则Af≈1/F
表面放大倍数几乎仅仅决定于反馈网络,而与基本放大电路无关。由于反馈网络常为无源网络,受环境温度的影响较小,因而放大倍数获得很高的稳定性。
从深度负反馈的条件可知,反馈网络的参数确定后,基本放大电路的放大能力越强,即A的数值越大,反馈越深,近似度越高
深度负反馈放大电路放大倍数的分析
一.深度负反馈的实质
在负反馈放大电路的一般表达式中,若|1+AF|>>1,则Af=1/F
根据Af和F的定义,Af=Xo/Xi,F=Xf/Xo,Af≈1/F=Xo/Xf
说明Xi≈Xf,可见深度负反馈的实质是在近似分析中忽略净输入量,但不同组态,可忽略的净输入量也将不同
当电路引入深度串联负反馈时,Ui=Uf,认为净输入电压Ui'可忽略不计
当电路引入深度并联负反馈时,Ii=If,认为净输入电流Ii'可忽略不计
二.反馈网络的分析
反馈网络连接放大电路的输出回路与输入回路,并且影响着反馈量

电压串联负反馈电路的反馈网络如上图a所示,因而反馈系数为
Fuu=Uf/Uo=R1/(R1+R2)
电流串联负反馈电路的反馈网络如上图b所示,因而反馈系数为
Fui=Uf/Io=IoR/Io=R
电压并联负反馈电路的反馈网络如上图c所示,因而反馈系数为
Fiu=If/Uo=-Uo/R/Uo=-1/R
电流并联负反馈电路的反馈网络如上图d所示,因而反馈系数为
Fii=If/Io=-R2/(R1+R2)
由于反馈量仅决定于输出量,因此反馈系数仅决定于反馈网络,而与放大电路的输入、输出特性及负载电阻RL无关
三.基于反馈系数的放大倍数分析
1.电压串联负反馈电路
电压串联负反馈电路的放大倍数就是电压放大倍数,即
Auuf=Auf=Uo/Ui≈Uo/Uf=1/Fuu≈1+R2/R1
Auf与负载电阻RL无关,说明引入深度电压负反馈后,电路的输出可近似为受控恒压源
2.电流串联负反馈电路
电流串联负反馈电路的放大倍数
Aiuf=Io/Ui≈Io/Uf=1/Fui
Auf=Uo/Ui≈IoRL/Uf=RL/Fui≈RL/R
3.电压并联负反馈电路
电压并联负反馈电路的放大倍数
Auif=Uo/Ii≈Uo/If=1/Fiu

并联负反馈电路的输入量通常不是理想的恒流信号Ii,信号源Is有内阻Rs,根据诺顿定理,可将信号源转换成内阻为Rs的电压源Us
由于Ii≈If,Ii'趋于零,可以认为Us几乎全部降落在电阻Rs上,所以
Us=IiRs≈IfRs
于是可以得到电压放大倍数
Ausf=Uo/Us≈Uo/IfRs=1/FiuRs=-R/Rs
并联负反馈电路适用于恒流源或内阻Rs很大的恒压源(近似恒流源),因而在电路测试时,若信号源内阻很小,则应外加一个相当于Rs的电阻
4.电流并联负反馈网络
电流并联负反馈电路的放大倍数
Aiif=Io/Ii≈Io/If=1/Fii
Ausf=Uo/Us≈IoRL/IfRs=RL/(FiiRs)=-(1+R1/R2)RL/Rs
当电路引入并联负反馈时,多数情况下可以认为Us=IfRs
当电路引入电流负反馈时,Uo=IoRL',RL'是电路输出端所接总负载,可能是若干电阻的并联,也可能就是负载电阻RL
综上所述,求解深度负反馈放大电路放大倍数的一般步骤是:
(1)正确判断反馈组态
(2)求解反馈系数
(3)利用F求解Af、Auf(Ausf)
Auf(Ausf)与F符号相同,A、F、Af符号也相同,因此均同符号,反映了瞬时极性法判断出的Uo与Ui的相位关系,同相时为正号,反相时为负号
四.基于理想运放的放大倍数分析
1.理想运放的线性工作区
利用集成运放作为放大电路,可以引入各种组态的反馈。在分析由集成运放组成的负反馈放大电路时,通常都将其性能指标理想化,即将其看成理想运放。尽管集成运放的应用电路多种多样,但就其工作区域却只有两个
在电路中,它们不是工作在线性区,就是工作在非线性区
在由集成运放组成的负反馈放大电路中集成运放工作在线性区
(一)理想运放的性能指标
集成运放的理想化参数是:
(1)开环差模增益(放大倍数)Aod=∞
(2)差模输入电阻rid=∞
(3)输出电阻ro=0
(4)共模抑制比KCMR=∞
(5)上限截止频率fH=∞
(6)失调电压UIO、失调电流IIO和它们的温漂都为0,且无任何内部噪声
(二)理想运放在线性区的特点
设集成运放同相输入端和反相输入端的电位分别为uP、uN,电流分别为iP、iN,当集成运放工作在线性区时,输出电压应与输入差模电压成线性关系,即应满足
uO=Aod(uP-uN)
由于uO为有限值,Aod=∞,因而净输入电压uP-uN=0,即uP=uN
称两个输入端虚短路(理想运放的两个输入端电位无穷接近,但不是真正短路)
因为净输入电压为0,又因为理想运放的输入电阻为∞,所以两个输入端的输入电流也均为0,即iP=iN=0
从集成运放输入端看进去相当于断路,称两个输入端虚断路(理想运放两个输入端的电流趋近于0,但不是真正断路)
虚短和虚断是分析其输入信号和输出信号关系的两个基本出发点
(三)集成运放工作在线性区的电路特征
对于理想运放,由于Aod=∞,因而即使两个输入端之间加微小电压,输出电压都将超出其线性范围,不是正向最大电压+UOM,就是负向最大电压-UOM
因此只有电路引入了负反馈,使净输入量趋于0,才能保证集成运放工作在线性区;从另一角度考虑,可以通过电路是否引入了负反馈,来判断运放是否工作在线性区

对于单个的集成运放,通过无源的反馈网络将集成运放的输出端和反相输入端连接起来,就表面电路引入了负反馈
反之,若理想运放处于开环状态(即无反馈)或引入正反馈,则工作在非线性区,此时,输出电压与输入电压不再是线性关系,当uP>uN时uo=+UOM,当uP<uN时uo=-UOM
2.放大倍数的分析
由集成运放组成的四种组态负反馈放大电路如下图所示,它们的瞬时极性及反馈量均分别标注于图中,由于它们引入了深度负反馈,故集成运放的两个输入端都有虚短和虚断的特点

(一)在图a所示电压串联负反馈中,由于输入电压Ui等于反馈电压Uf等于反馈电压Uf,R2的电流等于R1的电流
输出电压Uo=((R1+R2)/R2)Ui
电压放大倍数为Auf=1+R2/R1
(二)在图b所示电压并联负反馈电路中,由于输入电流Ii等于反馈电流If,集成运放的两个输入端电位均为0,称为虚地(uP=uN=0)
输出电压Uo=-IfRf=-IiRf
由于信号源电压Us=IiRs
电压放大倍数Ausf=Uo/Us=-Rf/Rs
(三)在图c所示电流串联负反馈电路中,由于输入电压Ui等于反馈电压Uf,R的电流等于RL的电流,即输出电流Io
放大倍数Aiuf=Io/Ui=1/R
输出电压Uo=IoRL
电压放大倍数Auf=Uo/Ui=RL/R
(四)在图d所示电流并联负反馈电路中,集成运放的两个输入端为虚地,uP=uN=0,反馈电流If等于输入电流Ii(即信号电流),是输出电流Io在电阻R1支路分流
因此If=-R2/(R1+R2)Io
放大倍数Aiif=Io/Ii=-(1+R1/R2)
由于信号源电压Us=IiRs,输出电压Uo=IoRL,故电压放大倍数
Ausf=Uo/Us=-(1+R1/R2)RL/Rs
理想运放引入的负反馈时深度负反馈,而且由于参数的理想化,故放大倍数表达式中的≈变为=
负反馈对放大电路性能的影响
一.稳定放大倍数
放大电路中引入深度负反馈时,Af=1/F,Af几乎仅决定于反馈网络,而反馈网络通常由电阻、电容组成,因而可获得很好的稳定性
在中频段,Af、A和F均为实数,Af的表达式可写成
Af=A/(1+AF)
对上式求微分后可以发现,Af的相对变化量仅为其基本放大电路放大倍数A的相对变化量的(1+AF)分之一,也就是说Af的稳定性是A的(1+AF)倍
即引入交流负反馈,因环境温度的变化、电源电压的波动、元件的老化、器件的更换等原因引起的放大倍数的变化都将减小
注意Af的稳定性是以损失放大倍数为代价的,即Af减小到A的(1+AF)分之一,才能使其稳定性提高到A的(1+AF)分之一倍,HAF为反馈深度
二.改变输入电阻和输出电阻
在放大电路中引入不同组态的交流负反馈,将对输入电阻和输出电阻产生不同的影响
1.对输入电阻的影响
输入电阻是从放大电路输入端看进去的等效电阻,因而负反馈对输入电阻的影响,决定于基本放大电路与反馈网络在电路输入端的连接方式,即决定于电路引入的是串联反馈还是并联反馈
(一)串联负反馈增大输入电阻

上图所示为串联负反馈放大电路的方块图,根据输入电阻的定义,基本放大电路的输入电阻Ri=Ui'/Ii
而整个电路的输入电阻Rif=Ui/Ii=(Ui'+Ui)/Ii=(Ui'+AFUi')/Ii
即Rif=(1+AF)Ri
表明输入电阻增大到Ri的(1+AF)倍
注意,在某些负反馈放大电路中,有些电阻并不在反馈环内,可以看出Rif'=(1+AF)Ri
而整个电路的输入电阻Rif=Rb//Rif'
因此,引入串联负反馈,使引入反馈的支路的等效电阻增大到基本放大电路的(1+AF)倍,不管哪种情况,引入串联负反馈都将增大输入电阻
(二)并联负反馈减小输入电阻
并联负反馈放大电路的方块图如下图所示,根据输入电阻的定义,基本放大电路的输入电阻Ri=Ui/Ii'
整个电路的输入电阻Rif=Ui/Ii=Ui/Ii'+If=Ui/(Ii+AFIi')
即Rif=Ri/(1+AF)
表面引入并联负反馈后,输入电阻减小,仅为基本放大电路输入电阻的(1+AF)分之一
2.对输出电阻的影响
输出电阻是从放大电路输出端看进去的等效电阻,因而负反馈对输出电阻的影响决定于基本放大电路与反馈网络在放大电路输出端的连接方式,即决定于电路引入的是电压反馈还是电流反馈
(一)电压负反馈减小输出电阻

电压负反馈的作用是稳定输出电压,故必然使其输出电阻减小,电压负反馈放大电路的方块图如上图所示,令输入量Xi=0,在输出端加交流电压Uo,产生电流Io,则电路的输出电阻为Rof=Uo/Io
Uo作用于反馈网络,得到反馈量Xf=FUo,-Xf又作为净输入量作用于基本放大电路,产生输出电压为-AFUo,基本放大电路的输出电阻为Ro,因为在基本放大电路中已考虑了反馈网络的负载效应,所以可以不必重复考虑反馈网络的影响,因而Ro中的电流为Io,其表达式为
Io=(Uo-(-AFUo))/Ro=(1+AF)Uo/Ro
得到电压负反馈放大电路输出电阻的表达式为Rof=Ro/(1+AF)
表面引入负反馈后输出电阻仅为其基本放大电路输出电阻的(1+AF)分之一,当(1+AF)趋于∞时,Rof趋于0,此时电压负反馈电路的输出具有恒压源特性
(二)电流负反馈增大输出电阻
电流负反馈稳定输出电流,故其必然使输出电阻增大

如上图所示为电流负反馈放大电路的方块图,令Xi=0,在输出端断开负载电阻并外加交流电压Uo,由此产生了电流Io,则电路的输出电阻为Rof=Uo/Io
Io作用于反馈网络,得到反馈量Xf=FIo,-Xf又作为净输入量作用于基本放大电路,所产生的输出电流为-AFIo
Ro为基本放大电路的输出电阻,由于在基本放大电路中已经考虑了反馈网络的负载效应,所以可以认为此时作用于反馈网络的输入电压为0,即Ro上的电压为Uo
因此,流入基本放大电路的电流Io为
Io=Uo/Ro+(-AFIo)
即Io=Uo/Ro/(1+AF)
得到Rof=(1+AF)Ro
说明Rof增大到Ro的(1+AF)倍,当(1+AF)趋于无穷大时,Rof也趋于无穷大,电路的输出具有恒流源特性
注意,在一些电路中有的电阻并联在反馈环之外,因此,对这类电路,电流负反馈仅仅稳定了引出反馈的支路的电流,并使该支路的等效电阻Ro'增大到基本放大电路的(1+AF)倍
下表是四种组态负反馈对放大电路
反馈组态 | 电压串联 | 电流串联 | 电压并联 | 电流并联 |
Rif(Rif') | 增大(∞) | 增大(∞) | 减小(0) | 减小(0) |
Rof(Rof') | 减小(0) | 增大(∞) | 减小(0) | 增大(∞) |
三.展宽频带
由于引入了负反馈后,各种原因引起的放大倍数的变化都将减小,当然也包括因信号频率变化而引起的放大倍数的变化,因此其效果是展宽了通频带
四.减小非线性失真
对于理想的放大电路,其输出信号与输入信号应完全呈线性关系。但是,由于组成放大电路的半导体器件均具有非线性特性,当输入信号为幅值较大的正弦波时,输出信号往往不是正弦波,经谐波分析,输出信号中除含有与输入信号频率相同的基波外,还含又其它谐波,因而产生失真。
五.放大电路中引入负反馈的一般原则
负反馈对放大电路性能方面的影响,均与反馈深度(1+AF)有关,应当说明的是,以上的定量分析时为了更好地理解反馈深度与电路各性能指标的定性关系。
引入负反馈可以改善放大电路多方面的性能,而且反馈组态不同,所产生的影响也各不相同。因此,在设计放大电路时,应根据需要和目的,引入合适的反馈。
1.为了稳定静态工作点,应引入直流负反馈;为了改善电路的动态性能,应引入交流负反馈
2.根据信号源的性质决定引入串联负反馈或并联负反馈,当信号源为恒压源或内阻较小的电压源时,为增大放大电阻的输入电阻,以减小信号源的输出电流和内阻上的压降,应引入串联负反馈;当信号源为恒流源或内阻很大的电压源时,为减小放大电路的输入电阻,使电路获得更大的输入电流,应引入并联负反馈
3.根据负载对放大电路输出量的要求,即负载对其信号源的要求,决定引入电压负反馈或电流负反馈。当负载需要稳定的电压信号驱动时,应引入电压负反馈;当负载需要稳定的电流信号驱动时,应引入电流负反馈
4.在需要进行信号变换时,选择合适的组态,若将电流信号转换成电压信号,则应引入电压并联负反馈;若将电压信号转换成电流信号,应引入电流串联负反馈
负反馈放大电路的稳定性
此处不作叙述
相关文章:
深度负反馈
负反馈放大电路的方块图因为负反馈放大电路有四种组态,而且对于同一种组态,具体电路也各不相同;所以为了研究负反馈放大电路的共同规律,可以利用方块图来描述所有电路一.负反馈放大电路的方块图表示法任何负反馈放大电路都可以用下…...
【每日随笔】手指训练 ( 产品需求探索、技术无关 | 手指训练作用 | 哪些人需要手指训练 | 手指操 | 手指康复训练器材 )
文章目录一、手指训练作用二、哪些人需要手指训练三、手指操四、手指康复训练器材产品需求探索 , 研究下手指训练的市场 , 前景 , 是否可以开发 ; 一、手指训练作用 手指训练作用 : 改善 上肢协调性手眼 协调性训练提高 手指 抓握 能力提高 手指 灵活性提高 上肢运动 准确性 和…...
Apple Safari 16.3 - macOS 专属免费浏览器 (独立安装包免费下载)
Safari 浏览器 16 for macOS Montery, Big Sur 请访问原文链接:https://sysin.org/blog/apple-safari-16/,查看最新版。原创作品,转载请保留出处。 作者主页:www.sysin.org 之前 Safari 浏览器伴随 macOS 更新一起发布ÿ…...
【java】Spring Boot --Spring Boot 集成 MyBatis
文章目录1. 前言2. 实例场景3. 数据库模块实现4. Spring Boot 后端实现4.1 使用 Spring Initializr 创建项目4.2 引入项目依赖4.3 数据源配置4.4 开发数据对象类4.5 开发数据访问层4.6 添加 MyBatis 映射文件5. 测试6. 小结1. 前言 企业级应用数据持久层框架,最常见…...
python正则表达式
python正则表达式 作者:AOAIYI 创作不易,如果觉得文章不错或能帮到你学习,记得点赞收藏评论一下哦 文章目录python正则表达式一、实验目的二、实验原理三、实验环境四、实验内容五、实验步骤总结一、实验目的 学会使用常见的正则表达式 二、…...
【C++】二叉树的非递归遍历
非递归遍历二叉树一、二叉树的前序遍历二、二叉树的中序遍历三、二叉树的后序遍历3.1 方法一3.2 方法二一、二叉树的前序遍历 题目链接 我们可以把任何一棵树看成左路节点,左路节点和右子树。先访问左路节点,再访问左路节点的右子树。在右子树中也重复这…...
Linux——线程同步(条件变量、POSIX信号量)和线程池
一.线程同步(一).概念线程同步是一种多线程关系,指的是线程之间按照特定顺序访问临界资源,进而能够避免线程饥饿问题。所谓线程饥饿指的是某个线程长期“霸占”临界资源,导致其他线程无法访问该资源。而通过线程同步机…...
leaflet 上传CSV文件,导出geojson格式文件(064)
第064个 点击查看专栏目录 本示例的目的是介绍演示如何在vue+leaflet中加载CSV文件,将图形显示在地图上。点击导出geojson,下载成geojson文件。 直接复制下面的 vue+openlayers源代码,操作2分钟即可运行实现效果. 文章目录 示例效果配置方式示例源代码(共114行)安装插件…...
Java内部类
文章目录一、内部类的概念二、内部类的分析三、内部类的分类1. 成员内部类2. 静态内部类3. 局部内部类4. 匿名内部类匿名内部类与Lambda表达式一、内部类的概念 在 Java 中,可以将一个类定义在另一个类里面或者一个方法里面,这样的类称为内部类。内部类…...
Centos系统里运行java的jar包
目前使用springboot开发是嵌入方式的tomcat,不需要单独使用tomcat,那么经常在服务器上运行jar包,这里记录一下在centos7系统里运行jar的方式。在运行之前需要确定centos7系统是否安装了java环境以及配置环境变量,还有jar需要运行的…...
招标采购流程的电子招标采购,是管理复杂供应链和多层供应商的高效方式。
负载均衡(Load Balance) 由于目前现有网络的各个核心部分随着业务量的提高,访问量和数据流量的快速增长,其处理能力和计算强度也相应地增大,使得单一的服务器设备根本无法承担。在此情况下,如果扔掉现有设…...
【C语言】C程序结构和基本语法
1、C语言程序结构 我们学习一门编程语言,第一个实例都是"hello world!",下面看一个最简单的C程序结构。 #include <stdio.h>int main() {/* 我的第一个 C 程序 */printf("Hello, World! \n");return 0; }程序的第一行 #incl…...
YOLOv8 目标检测 | 自定义数据集
本文介绍了使用用于目标检测的自定义数据训练 YOLOv8 模型。我正在使用来自 kaggle 的 yolo 格式的“Face Mask Dataset”,数据集链接如下:https://www.kaggle.com/datasets/maalialharbi/face-mask-dataset?resourcedownloadYOLOv8 是目前最先进的 YOL…...
Lua语法入门
注意:文章将持续更新完善 文章目录一. 初识Lua二. HelloWorld三. Lua的数据类型四. 变量五. 循环六. 函数七. 条件控制一. 初识Lua Lua 是一种轻量小巧的脚本语言,用标准C语言编写并以源代码形式开放, 其设计目的是为了嵌入应用程序中&#…...
华为OD机试真题JAVA实现【最小步骤数】真题+解题思路+代码(20222023)
🔥系列专栏 华为OD机试(JAVA)真题目录汇总华为OD机试(Python)真题目录汇总华为OD机试(C++)真题目录汇总华为OD机试(JavaScript)真题目录汇总文章目录 🔥系列专栏题目输入输出示例一输入输出说明示例二输入输出解题思路...
预检请求OPTIONS
这里写目录标题简单请求和非简单请求简单请求非简单请求预检请求OPTIONS简单请求和非简单请求 浏览器将请求分为两大类:简单请求(simple request)和非简单请求(not-so-simple request) 简单请求 简单请求࿰…...
引入短信服务发送手机验证码进行安全校验
其他方案>引入QQ邮箱发送验证码进行安全校验 相对短信验证码,操作更简单而且免费 最近想给自己的项目在注册时加点安全校验,准备使用免费的邮箱验证来着,在上一篇引入QQ邮箱进行安全校验时,看有朋友说阿里云会送一些短信服务免…...
opencv绘制直线
大家好,我是csdn的博主:lqj_本人 这是我的个人博客主页: lqj_本人的博客_CSDN博客-微信小程序,前端,python领域博主lqj_本人擅长微信小程序,前端,python,等方面的知识https://blog.csdn.net/lbcyllqj?spm1011.2415.3001.5343哔哩哔哩欢迎关注…...
Seata源码学习(五)- Seata服务端(TC)源码解读
Seata源码分析- Seata服务端(TC)源码解读 上节课我们已经分析到了SQL语句最终的执行器,但是再往下分析之前,我们需要先来分析一下TM客户端与TC端通讯以后,TC端的具体操作 服务端表解释 我们的Seata服务端在应用的时…...
低版本jQuery导致XSS Nuclei FUZZ POC
目录 1.前言 2. Nuclei FUZZ jQuery XSS POC 3.漏洞验证 4.修复建议 1.前言 我记得以前用那些漏扫工具时时常会报一个低版本jQuery的安全问题,当时还不会验证。直到有一天,它托梦给我。我悟了。低版本jQuery导致XSS POC文件文末获取。...
大数据领域规范性分析:助力企业决策优化
大数据领域规范性分析:助力企业决策优化 关键词:规范性分析、大数据决策、描述性分析、预测性分析、优化算法、企业决策、数据驱动 摘要:在数据爆炸的时代,企业不再满足于“数据记录”或“未来预测”,而是渴望知道“如何行动才能最优”。本文将从大数据分析的三大支柱(描…...
AI Agent交互设计避坑指南:从Manus到Cursor的7个实战技巧
AI Agent交互设计避坑指南:从Manus到Cursor的7个实战技巧 当AI Agent从简单的指令执行者进化为能自主规划、调用工具并修正错误的"数字伙伴"时,交互设计的复杂度呈指数级增长。去年某知名设计团队调研显示,78%的AI产品失败案例源于…...
eUICC 配置文件结构 (Profile Structure) 的核心组件与权限管理解析
1. eUICC配置文件结构入门指南 想象一下你的手机SIM卡突然变成了一张"万能卡"——这就是eUICC技术带来的变革。与传统SIM卡不同,eUICC(嵌入式通用集成电路卡)最神奇的地方在于它能远程切换不同运营商的配置文件(Profil…...
Qwen-Image-Layered场景实战:用AI图层技术为你的产品图换背景
Qwen-Image-Layered场景实战:用AI图层技术为你的产品图换背景 1. 引言 1.1 电商设计的痛点 在电商运营中,产品主图的质量直接影响转化率。传统换背景流程需要设计师手动抠图、调整边缘、匹配光影,一个产品图往往需要30分钟以上的处理时间。…...
Asian Beauty Z-Image Turbo惊艳案例:单卡RTX4090每秒1.8帧的Turbo实时生成
Asian Beauty Z-Image Turbo惊艳案例:单卡RTX4090每秒1.8帧的Turbo实时生成 东方美学图像生成的本地高效解决方案 在数字内容创作蓬勃发展的今天,高质量人像图像生成需求日益增长,特别是具有东方美学特色的图像。传统云端生成方案虽然方便&am…...
墨语灵犀模型压缩与量化教程:降低部署资源消耗
墨语灵犀模型压缩与量化教程:降低部署资源消耗 你是不是也遇到过这种情况:好不容易找到一个效果不错的开源大模型,比如墨语灵犀,兴致勃勃地想部署到自己的服务器上试试,结果一看显存要求,直接傻眼了——动…...
Studio 3T 2026.6 (macOS, Linux, Windows) - MongoDB 的终极 GUI、IDE 和 客户端
Studio 3T 2026.6 (macOS, Linux, Windows) - MongoDB 的终极 GUI、IDE 和 客户端 The Ultimate GUI, IDE and client for MongoDB 请访问原文链接:https://sysin.org/blog/studio-3t/ 查看最新版。原创作品,转载请保留出处。 作者主页:sy…...
Wnt/β-catenin信号通路在组织修复与再生中的关键作用
1. Wnt/β-catenin信号通路:细胞修复的"总指挥" 想象一下你手指被划伤后伤口愈合的过程,或者肝脏在受损后自我修复的神奇能力。这些看似平常的现象背后,其实隐藏着一个精密的分子调控网络——Wnt/β-catenin信号通路。这条通路就像…...
腾讯优图视觉模型应用:Youtu-VL-4B-Instruct在内容审核中的实战
腾讯优图视觉模型应用:Youtu-VL-4B-Instruct在内容审核中的实战 每天,互联网上会产生数十亿张图片和视频。对于内容平台来说,如何确保这些内容安全合规,同时控制审核成本,一直是个头疼的问题。传统的人工审核效率低、…...
香橙派OrangePi One到手必做:Linux系统首次启动自动扩容rootfs的保姆级验证指南
香橙派OrangePi One开箱指南:首次启动自动扩容rootfs的完整验证流程 第一次拿到香橙派开发板时,最让人困惑的莫过于如何确认系统是否成功利用了TF卡的全部空间。作为嵌入式Linux新手,我清楚地记得自己第一次启动OrangePi One时的忐忑——那些…...
