数字逻辑 期末
概述
教材:《电子技术基础(数字部分)》 第六版
7400系列是TTL型芯片,商用型
数制
十进制->二进制 除2取余法&乘2取整法(注意精度,但计科简单不考)
十六进制->二进制 一位变四位
八进制->二进制 一位变三位
二进制加减
无符号加减
码
0不能省略
BCD码
8421 前10个
2421 前5+后5
5421 前5+8~12
余三码 8421+3
余三循环码 余三码异或
格雷码
表示0-15 余三循环码前加三个后加三个
前加0000 0001 0011 后加1011 1001 1000
ASCII码
逻辑运算
与 或 非 与非 或非 异或 同或
奇数个1异或是1
奇数个0同或是1
表达式 真值表 电路图 卡诺图 波形图
交换律 结合律 分配律 反演律
吸收律A+AB=A A+A非B=A+B (A+B)(A+C)=A+BC
常用恒等式 AB+A非C+BC=AB+A非C
代入规则
反演规则 变量取反 +x 10
对偶规则 +x 10
与或式二次取非得与非-与非式 继续化简+二次取非得或非-或非式
最简与或式
标准与或式 最小项
卡诺图 逻辑相邻 1、2、4、8包围圈 无关项x 可以正难则反

组合逻辑电路

高电平有效 低电平有效
编码器Encoder CD4532
输入高电平有效
电平->码
普通编码器

优先编码器

8-3线 CD4532优先编码器

输入高电平有效,输出低电平有效
EI是使能端,GS/EO是干啥的
2片CD4532 级联形成16-4线优先编码器
译码器 74138/139/4511
码->电平
74x139 2-4译码器 输出低电平


74x138 3-8译码器


2片74138形成4-16译码器

1片74139+4片74138扩展形成5-32译码器

6-64译码器

用译码器实现逻辑函数:最小项
二-十进制译码器 7442 唯一地址译码器


七段显示译码器 CMOS 74HC4511 数码管

共阴极输入高电平有效,输出高电平
共阳极输入低电平有效



LT非有效是灯测试 LIGHT
BL有效是灭灯
LE有效是锁存
有几道题可以看看
7447 七段字形译码器 输出低电平有效
7448 七段字形译码器 输出高电平有效
7449 BCD-七段译码器
数据选择器 74151
多路开关


74x151 八选一数据选择器

产生逻辑函数 最小项 变量>n要选一个出来接到相应输入端子D上

两片151组成二位八选一数字选择器(位扩展)或16选1数据选择器(字扩展)


并行数据->串行数据

数值比较器 7485

两位数值比较器

74x85 四位数值比较器

两片85组成 八位数值比较器


延迟40ns

延迟20ns?
四舍五入电路

中断优先判断电路
算数运算电路
半加器HA 不考虑低位进位

全加器FA 考虑低位进位

两位二进制加法器


8位加法

时序逻辑电路
输出方程 激励方程 状态方程

同步 异步

输出Y看的是现态不是次态
逻辑方程组 真值表 状态表 状态图 时序图
这块题比较多可以看看ppt
双稳态电路

现态Qn 次态Qn+1
锁存器 电平敏感 后来才出现
SR锁存器 与非 或非 门控

或非门RS 00保持 01Set置数1 10Reset清零0 11不定 约束条件SR=0
与非门 输入低电平有效 约束条件S非+R非=1
门控SR锁存器 加一个使能端
D锁存器

触发器 边沿敏感 比较多
SR触发器 与非 或非 逻辑门控
和SR锁存器一致
JK触发器
JK不同同J

集成双JK下降沿触发器74112

D触发器

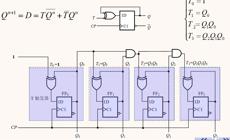
T触发器
0保持 1翻转

T’触发器
翻转
逻辑功能的转换
D->JK

D->T

D->T’

寄存器
移位寄存器 左移 右移 双向 只能用边沿敏感的触发器
基本移位寄存器由D触发器构成,高低位和数字高低相同
74x194 4位双向移位寄存器 CMOS
S1S0 00保持 01右移 10左移 11置数

循环移位寄存器

计数器
模:有效状态总数
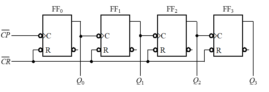
异步清零 同步置数
4位异步二进制加法计数器

可作计数器&分频器


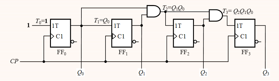
4位同步二进制加法计数器74161

CET、CEP为计数使能,并行进位TC=Q3Q2Q1Q0·CET
74x161 4位二进制计数器

环形计数器

扭环形计数器=约翰逊计数器

实现任意模值计数器
减小模:反馈清零法 反馈置数法
扩展:
- 并行同步进位(低位片TC作为高位片使能)
- 串行异步进位(低位片TC作为高位片CP)TC要过一个非门接CP


二-五-十进制异步计数器7490(不考)

相关文章:
数字逻辑 期末
概述 教材:《电子技术基础(数字部分)》 第六版 7400系列是TTL型芯片,商用型 数制 十进制->二进制 除2取余法&乘2取整法(注意精度,但计科简单不考) 十六进制->二进制 一位变四位 八…...
MT4交易外汇平台有哪些优势?为何是外汇投资首选?
外汇市场上存在着各种各样的外汇交易商,但是很多的外汇交易商所选择的交易平台都是MT4交易外汇平台。作为全世界范围内使用最为广泛的交易平台,MT4交易外汇平台具有哪些优势,能够让外汇交易商和外汇投资者都选择使用。本文就来具体的聊聊&…...
问卷调查工具实力榜单发布
问卷调查是从目标受众那里收集有价值的反馈和见解的有效方式。正确的调查问卷工具可以使问卷的创建、分发和分析变得更加容易和高效。在本文中,我们将问卷调查工具排行榜实力榜,为大家选择问卷平台的时候提供有价值的参考意见。 1、Zoho Survey Zoho S…...
javascript中property和attribute有什么区别?
在JavaScript中,“property”(属性)和"attribute"(属性)这两个术语用于描述对象的特性,但它们在含义和用法上有一些区别。 1、属性(Properties): 属性是属于J…...
快速上手kettle
一、前言 最近由于工作需要,需要用到kettle工具进行数据迁移转换。特意找资料学习了一下,kettle基本操作算是学会了。 所学的也结合实际工作进行了验证。为了防止以后用到忘记了,便写了几篇文章记录一下。 二 、ETL简介 ETL ( Extract-Tran…...
Leetcode 399. 除法求值
Leetcode 399. 除法求值题目 给你一个变量对数组 equations 和一个实数值数组 values 作为已知条件,其中 equations[i] [Ai, Bi] 和 values[i] 共同表示等式 Ai / Bi values[i] 。每个Ai 或 Bi 是一个表示单个变量的字符串。另有一些以数组 queries 表示的问题&am…...
kotlin协程并发/并行与串行互相切换,CoroutineScope与await
kotlin协程并发/并行与串行互相切换,CoroutineScope与await import kotlinx.coroutines.CoroutineScope import kotlinx.coroutines.Dispatchers import kotlinx.coroutines.delay import kotlinx.coroutines.launch import java.time.LocalTimefun main(args: Arra…...
初识linux之简单了解TCP协议与UDP协议
目录 一、理解源IP地址和目的IP地址 二、端口号 1. 为什么要有端口号 2. 理解端口号 3. 源端口号和目的端口号 三、初步了解TCP协议和UDP协议 1. 初步认识TCP协议 2. 初步认识UDP协议 3. 可靠传输与不可靠传输 四、网络字节序 1. 网络字节序的概念 2. 如何形成网络…...
【String——简单使用】
文章目录 String1. 字符串定义和初始化2. 字符串基本操作2.1 访问单个字符2.2 修改字符串内容2.3 字符串查找和比较 3. 常用字符串函数3.1 length() 和 size()3.2 empty()3.3 substr()3.4 c_str() 4.字符与整形之间相互转换4.1 char 类型转 int 类型4.2 int 类型转 char 类型4.…...
Python下Taobao封装API接口的优势
Python是一门面向对象编程的语言,封装是面向对象编程中的一种重要概念,它把数据和方法包装在一起,实现了对数据的保护和控制。Python封装接口的优势如下: 1.安全性 封装可以保证数据的安全性,禁止外部对数据的直接访…...
LeetCode 49 字母异位词分组
LeetCode 49 字母异位词分组 来源:力扣(LeetCode) 链接:https://leetcode.cn/problems/group-anagrams/description/ 博主Github:https://github.com/GDUT-Rp/LeetCode 题目: 给你一个字符串数组&#x…...
( 链表) 142. 环形链表 II——【Leetcode每日一题】
❓142. 环形链表 II 难度:中等 给定一个链表的头节点 head ,返回链表开始入环的第一个节点。 如果链表无环,则返回 null。 如果链表中有某个节点,可以通过连续跟踪 next 指针再次到达,则链表中存在环。 为了表示给定…...
论文解读 | 基于改进点对特征的点云6D姿态估计
原创 | 文 BFT机器人 01 摘要 点对特征(PPF)方法已被证明是一种有效的杂波和遮挡下的姿态估计方法。 文章的改进方法主要包括: (1)一种基于奇偶规则求解封闭几何的法向的方法; (2)通过将体素网格划分为等效角度单元的有效降采样方法; (3)基于拟合点的验证步骤。在真实杂波数据集…...
Shell脚本while循环语句应用
记录:433 场景:Shell脚本while循环语句应用。Shell脚本while循环语句应用。while do done、while : do done、while true do done。 版本:CentOS Linux release 7.9.2009。 1.while常用格式 1.1格式一:while do done while c…...
Kubernetes Dashboard + Ingress 及其 yaml 文件分析
概述 记录部署Dashboard Ingress的具体过程及其 yaml 文件分析 Dashboard Yaml # Copyright 2017 The Kubernetes Authors. # # Licensed under the Apache License, Version 2.0 (the "License"); # you may not use this file except in compliance with the Li…...
【SpringCloud组件——Nacos】
前置准备: 分别提供订单系统(OrderService)和用户系统(UserService)。订单系统主要负责订单相关信息的处理,用户系统主要负责用户相关信息的处理。 一、服务注册与发现 1.1、在父工程当中引入Nacos依赖 …...
pinia状态管理 用法
Pinia是一个用于vue的状态管理库,类似于vuex,是vue的另一种状态管理工具。 Pinia 是 Vue 的存储库,它允许跨组件/页面共享状态。实际上,Pinia就是Vuex的升级版,官网也说过,为了尊重原作者,所以取名pinia&am…...
Oracle客户端版本安装
一、版本准备 Oracle版本下载官网:Instant Client for Linux x86-64 (64-bit) | Oracle 中国 进入网站下载对应的oracle版本,通常环境所用的包有:basic、sdk、sdkplus三个包。包的类型分为rpm和zip包,均可以下载,当前…...
基于Android studio二手车交易系统app
客户端: 用户注册:通过输入用户名,密码,所在地,联系地址以及电话和电子邮件等信息进行用户信息的注册。 二手车查看:用户注册登录系统后,可以查看二手车的基本信息,通过二手车的品牌…...
【LCD应用编程】绘制点、线、矩形框
之前获取LCD屏幕参数信息时了解到,LCD屏是 FrameBuffer 设备,操作 FrameBuffer 设备 其实就是在读写 /dev/fb0 文件。除此之外,LCD屏上包含多个像素点,绘制点、线、矩形框本质是在修改这些像素点的颜色。 目录 1、定义 lcd_color…...
BetterNCM安装器终极指南:5分钟解锁网易云音乐无限潜能
BetterNCM安装器终极指南:5分钟解锁网易云音乐无限潜能 【免费下载链接】BetterNCM-Installer 一键安装 Better 系软件 项目地址: https://gitcode.com/gh_mirrors/be/BetterNCM-Installer 你是否觉得网易云音乐PC版功能有限,界面单调?…...
如何用免费工具解锁QQ音乐、网易云音乐等加密格式:3分钟解决音乐播放限制
如何用免费工具解锁QQ音乐、网易云音乐等加密格式:3分钟解决音乐播放限制 【免费下载链接】unlock-music 在浏览器中解锁加密的音乐文件。原仓库: 1. https://github.com/unlock-music/unlock-music ;2. https://git.unlock-music.dev/um/web…...
如何让旧款Mac运行最新系统:OpenCore Legacy Patcher完整指南
如何让旧款Mac运行最新系统:OpenCore Legacy Patcher完整指南 【免费下载链接】OpenCore-Legacy-Patcher Experience macOS just like before 项目地址: https://gitcode.com/GitHub_Trending/op/OpenCore-Legacy-Patcher 想让你的老旧Mac设备重新焕发活力&a…...
终极虚拟显示器解决方案:ParsecVDisplay完整使用指南
终极虚拟显示器解决方案:ParsecVDisplay完整使用指南 【免费下载链接】parsec-vdd ✨ Perfect virtual display for game streaming 项目地址: https://gitcode.com/gh_mirrors/pa/parsec-vdd ParsecVDisplay是一个基于Parsec虚拟显示驱动(VDD)的独立应用程序…...
5分钟掌握AutoClicker:Windows鼠标点击自动化的终极指南
5分钟掌握AutoClicker:Windows鼠标点击自动化的终极指南 【免费下载链接】AutoClicker AutoClicker is a useful simple tool for automating mouse clicks. 项目地址: https://gitcode.com/gh_mirrors/au/AutoClicker AutoClicker是一款专为Windows设计的鼠…...
SHAP原理与特征贡献解析
SHAP(SHapley Additive exPlanations)是一种基于博弈论中Shapley值的模型解释方法,它为机器学习模型的预测提供了一种统一、理论完备的特征归因框架。其核心思想是将模型的预测值视为所有特征协同合作的“总收益”,然后公平地分配…...
智能知识学习平台
智能知识学习平台项目简介技术架构:问答驱动的开发模式前端架构后端架构核心功能:问答式交互贯穿始终1. 自定义构建知识库2.文档查看3.智能问答:知识触手可及4. 智能题目生成:严格遵循文档内容项目亮点用问答驱动的方式构建智慧学…...
TorchEasyRec:阿里巴巴开源的推荐系统深度学习框架详解
第一部分:项目概览与核心功能 一、项目简介:什么是 TorchEasyRec? TorchEasyRec 是阿里巴巴 PAI 团队开发的基于 PyTorch 的推荐系统框架,专门用于构建生产级别的深度学习推荐模型。简单来说,它就是一个让你能够快速…...
5分钟掌握m4s-converter:将B站缓存视频无损转换为MP4的终极指南
5分钟掌握m4s-converter:将B站缓存视频无损转换为MP4的终极指南 【免费下载链接】m4s-converter 一个跨平台小工具,将bilibili缓存的m4s格式音视频文件合并成mp4 项目地址: https://gitcode.com/gh_mirrors/m4/m4s-converter 你是否曾在B站缓存了…...
LLM驱动的高性能计算日志解析技术实践
1. 项目概述:LLM驱动的HPC日志解析革命高性能计算(HPC)系统如同数字世界的巨型望远镜,每天产生PB级的观测数据——系统日志。这些日志记录了从硬件底层到应用层的所有活动,但它们的价值长期被埋没在非结构化文本的泥沼中。传统日志解析方法就…...
