风储VSG-基于虚拟同步发电机的风储并网系统MATLAB仿真
MATLAB2021b版本
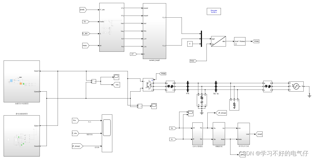
仿真模型:
风力发电机模块、储能控制模块、功率计算模块、VSG控制模块、电压电流双环控制模块。

永磁同步风机输出功率、储能系统输出功率以及逆变器输出功率曲线。

直流母线电压波动曲线。

逆变器输出电压、电流曲线。

完整模型见博主资源!!
%%%%%%%%%%
#include<stdio.h>
#include<windows.h>
int main()
{
double x, y, a;
for (y = 1.5; y > -1.5; y -= 0.1)
{
for (x = -1.5; x < 1.5; x += 0.05)
{
a = x * x + y * y - 1;
if (a * a * a - x * x * y * y * y <= 0)
{
printf("+");
Sleep(1);
}
else
printf(" ");
}
printf("\n");
}
printf("爱情来的太快就像龙卷风,你把握不住的,让哥来\n----HWH");
return 0;
}
相关文章:

风储VSG-基于虚拟同步发电机的风储并网系统MATLAB仿真
MATLAB2021b版本仿真模型:风力发电机模块、储能控制模块、功率计算模块、VSG控制模块、电压电流双环控制模块。永磁同步风机输出功率、储能系统输出功率以及逆变器输出功率曲线。直流母线电压波动曲线。逆变器输出电压、电流曲线。完整模型见博主资源!&a…...

vim常用命令
vim常用三种模式 命令模式(Command mode) 插入模式(Insert mode) 末行模式(Last line mode) (一)进入命令模式 vi 或者 vim(二)命令模式 -> 插入模式 &…...
华为OD机试 - 最差产品奖 | 机试题算法思路 【2023】
最近更新的博客 华为OD机试 - 简易压缩算法(Python) | 机试题算法思路 【2023】 华为OD机试题 - 获取最大软件版本号(JavaScript) 华为OD机试 - 猜字谜(Python) | 机试题+算法思路 【2023】 华为OD机试 - 删除指定目录(Python) | 机试题算法思路 【2023】 华为OD机试 …...

HR:你会Python数据分析吗?
之前看到一个段子: 以前去面试,HR会问你“精通office吗?” 现在去面试,HR会问你“会Python数据分析吗?” 图片来源:网络 大数据时代,无论是数据分析师、研发,到运营、市场、产品经…...

算法18:LeetCode_链表相关算法题
链表无小事,只要是涉及到链表的算法题,边界值的设定尤为重要,而且及其容易出错误。这就要求我们平时多加练习。但是,我们在面试和笔试的过程中往往会碰到链表相关的题目,所以我们在笔试的时候一般都会借助系统提供的工…...

SpringBoot集成Tomcat服务
文章目录一、Tomcat集成1、依赖层级2、自动化配置二、Tomcat架构三、Tomcat配置1、基础配置2、属性配置类3、配置加载分析四、周期管理方法1、控制类2、核心方法使用的成本越低,内部封装越复杂; 一、Tomcat集成 1、依赖层级 在SpringBoot框架的web依赖…...

【机器学习】决策树-C4.5算法
1.C4.5算法 C4.5算法与ID3相似,在ID3的基础上进行了改进,采用信息增益比来选择属性。ID3选择属性用的是子树的信息增益,ID3使用的是熵(entropy, 熵是一种不纯度度量准则),也就是熵的变化值&…...

actipro-winforms-controls-23.1.0 Crack
actipro-winforms一组用于构建漂亮的 Windows 窗体桌面应用程序的 UI 控件,用于构建 IDE 的高级停靠窗口、MDI、属性网格、树控件和文件夹/文件浏览器,用于常见数据类型、自动完成、屏蔽编辑和代码编辑的强大编辑器,功能区、图表、微型图表、…...

适合打游戏用的蓝牙耳机有哪些?吃鸡无延迟的蓝牙耳机推荐
现在手游的兴起,让游戏市场变得更加火爆,各种可以提高玩家体验的外设也越来越多,除了提升操作的外置按键与手柄外,能带来更出色音质与舒心使用的游戏耳机,整体氛围感更好,让玩家在细节上占据优势࿰…...
1000:入门测试题目[不一样的题解][85种写法]【A+B问题】
题目: 1000:入门测试题目 时间限制: 1000 ms 内存限制: 32768 KB 提交数: 262857 通过数: 158152 【题目描述】 求两个整数的和。 【输入】 一行,两个用空格隔开的整数。 【输出】 两个整数的和。 【输入样例】 2 3 【输出样例】…...

FastReport .NET 2023.1.13 Crack
FastReport .NET 使用来自 ADO .NET 数据源的数据。它可以排序和过滤数据行,使用主从关系和查找数据列。一切都可以通过点击几下鼠标来完成。 直接连接到 ADO、MS SQL 或基于 xml 的数据库。其他连接器可作为插件使用。 能够从 IEnumerable 类型的业务对象中获取数…...
unzip: cannot find zipfile directory in one of
下面是执行flutter doctor 后报错内容 End-of-central-directory signature not found. Either this file is not a zipfile, or it constitutes one disk of a multi-part archive. In the latter case the central directory and zipfile comment will be found on the last …...
RFC4543: Galois Message Authentication Code (GMAC);CONFIG_CRYPTO_GCM
在2010年这个算法被Linux社区加进来:说明算法还是挺重要,普遍使用。 commit 73c89c15b959adf06366722c4be8d2eddec0a529 Author: Tobias Brunner <tobias@strongswan.org> Date: Sun Jan 17 21:52:11 2010 +1100crypto: gcm - Add RFC4543 wrapper for GCMThis patc…...

【YOLOv5】 02-标注图片,训练并使用自己的模型
在上一篇文章中,我们完成了YOLOv5的安装和测试。如果想检测自定义目标,就需要用到LabelImg来对图片打标签,本篇文章介绍了LabelImg安装与使用,以及如何训练并使用自己的模型。一、安装LabelImg输入如下命令进行安装:pi…...
2023.2.15日学习内容(用户的增删改查)
1,如果前端时间需要年月日,不需要时分秒,则一般情况下再数据库里面操作即可2.正常情况下,以后所有的查询都不能用* 查询所有列3.删除思路逻辑1)点击删除按钮需要对其进行监听2)对于重要的信息删除应该给用户…...

车载以太网 - 测试用例设计 - 时间参数 - 11
前面已经介绍过DoIP相关的时间参数信息,然而对于时间参数信息相关的测试用例该如何设计呢?个人认为这是用例中最好设计的一类,这类的用例只需要按照定义去设计写测试用例即可,难的是自动化脚本开发和手动测试执行。毕竟时间参数一般都是毫秒级的验证,就算是秒级的我们也很…...

【C#个人错题笔记】
观前提醒 记录一些我不会或者少见的内容,不一定适合所有人 字符串拼接 int a3,b8; Console.WriteLine(ab);//11 Console.WriteLine("ab");//ab Console.WriteLine(a""b);//38 Console.WriteLine("ab"ab);//ab38 Console.WriteLine…...

JavaScript刷LeetCode拿offer-树的遍历
什么是树 一种分层数据的抽象模型。前端工作中常见的树包括:DOM树,级联选择,树形控件JS中没有树,可以用Object和Array构建树树的常用操作:深度/广度优先遍历,先中后序遍历 深度优先遍历 访问根节点对根节…...

《FPGA学习》->呼吸灯
🍎与其担心未来,不如现在好好努力。在这条路上,只有奋斗才能给你安全感。你若努力,全世界都会为你让路。呼吸灯,简而言之就像人类呼吸一样,有节奏的让LED灯从:灭->微微亮->微亮->亮-&g…...

【大数据离线开发】7.4 HBase数据保存和过滤器
7.4 数据保存的过程 注意:数据的存储,都需要注意Region的分裂 HDFS:数据的平衡 ——> 数据的移动(拷贝)HBase:数据越来越多 ——> Region的分裂 ——> 数据的移动(拷贝) …...
浏览器访问 AWS ECS 上部署的 Docker 容器(监听 80 端口)
✅ 一、ECS 服务配置 Dockerfile 确保监听 80 端口 EXPOSE 80 CMD ["nginx", "-g", "daemon off;"]或 EXPOSE 80 CMD ["python3", "-m", "http.server", "80"]任务定义(Task Definition&…...

多模态2025:技术路线“神仙打架”,视频生成冲上云霄
文|魏琳华 编|王一粟 一场大会,聚集了中国多模态大模型的“半壁江山”。 智源大会2025为期两天的论坛中,汇集了学界、创业公司和大厂等三方的热门选手,关于多模态的集中讨论达到了前所未有的热度。其中,…...

以下是对华为 HarmonyOS NETX 5属性动画(ArkTS)文档的结构化整理,通过层级标题、表格和代码块提升可读性:
一、属性动画概述NETX 作用:实现组件通用属性的渐变过渡效果,提升用户体验。支持属性:width、height、backgroundColor、opacity、scale、rotate、translate等。注意事项: 布局类属性(如宽高)变化时&#…...
JDK 17 新特性
#JDK 17 新特性 /**************** 文本块 *****************/ python/scala中早就支持,不稀奇 String json “”" { “name”: “Java”, “version”: 17 } “”"; /**************** Switch 语句 -> 表达式 *****************/ 挺好的ÿ…...
MySQL中【正则表达式】用法
MySQL 中正则表达式通过 REGEXP 或 RLIKE 操作符实现(两者等价),用于在 WHERE 子句中进行复杂的字符串模式匹配。以下是核心用法和示例: 一、基础语法 SELECT column_name FROM table_name WHERE column_name REGEXP pattern; …...

AI书签管理工具开发全记录(十九):嵌入资源处理
1.前言 📝 在上一篇文章中,我们完成了书签的导入导出功能。本篇文章我们研究如何处理嵌入资源,方便后续将资源打包到一个可执行文件中。 2.embed介绍 🎯 Go 1.16 引入了革命性的 embed 包,彻底改变了静态资源管理的…...

R语言速释制剂QBD解决方案之三
本文是《Quality by Design for ANDAs: An Example for Immediate-Release Dosage Forms》第一个处方的R语言解决方案。 第一个处方研究评估原料药粒径分布、MCC/Lactose比例、崩解剂用量对制剂CQAs的影响。 第二处方研究用于理解颗粒外加硬脂酸镁和滑石粉对片剂质量和可生产…...

【Linux】Linux安装并配置RabbitMQ
目录 1. 安装 Erlang 2. 安装 RabbitMQ 2.1.添加 RabbitMQ 仓库 2.2.安装 RabbitMQ 3.配置 3.1.启动和管理服务 4. 访问管理界面 5.安装问题 6.修改密码 7.修改端口 7.1.找到文件 7.2.修改文件 1. 安装 Erlang 由于 RabbitMQ 是用 Erlang 编写的,需要先安…...

高分辨率图像合成归一化流扩展
大家读完觉得有帮助记得关注和点赞!!! 1 摘要 我们提出了STARFlow,一种基于归一化流的可扩展生成模型,它在高分辨率图像合成方面取得了强大的性能。STARFlow的主要构建块是Transformer自回归流(TARFlow&am…...
Python爬虫实战:研究Restkit库相关技术
1. 引言 1.1 研究背景与意义 在当今信息爆炸的时代,互联网上存在着海量的有价值数据。如何高效地采集这些数据并将其应用于实际业务中,成为了许多企业和开发者关注的焦点。网络爬虫技术作为一种自动化的数据采集工具,可以帮助我们从网页中提取所需的信息。而 RESTful API …...