运动控制--BLDC电机
一、电机的分类
按照供电电源
1.直流电机
1.1 有刷直流电机(BDC)
-
- 通过电刷与换向器实现电流方向切换,典型应用于电动工具、玩具等
1.2 无刷直流电机(BLDC)
-
- 电子换向替代机械电刷,具有高可靠性,常用于无人机、高端家电
2.交流电机
- 电源特性:使用交流电(如市电)。
- 细分类型:
- 同步电机:转子转速与磁场同步,常见于发电机组、精密设备。56
- 异步电机(感应电机):通过电磁感应驱动转子,适用于工业风机、水泵等场景
按照原理与控制方式划分
1.步进电机。
- 特点:通过脉冲信号控制角位移,开环控制。
- 应用:3D打印机、数控机床定位系统
2.伺服电机。
- 特点:闭环控制,高精度定位(±1角秒),动态响应快。
- 应用:工业机器人关节、无人机云台稳定系统
3.永磁同步电机。
- 优势:高效率、高功率密度,磁体材料为钕铁硼或铁氧体。
- 应用:电动汽车驱动、风力发电
二、BLDC电机为何应用如此广泛
BLDC电机具有高效率、长寿命、低噪音和易于控制等优点,因此被广泛应用于许多领域
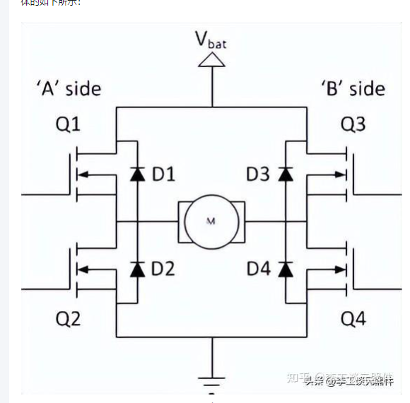
三、典型的全桥电路、H桥电路
1. H桥电路

| 编码 | 导通的管子 | 导通通道 |
| Vbat--->Q1---> Q4-->GND | UV | |
| HV--->Q1---> Q6-->GND | UW | |
| HV--->Q3---> Q2-->GND | VU | |
| HV--->Q3---> Q6-->GND | VW | |
| HV--->Q5---> Q2--->GND | WU | |
| HV--->Q5---> Q4--->GND | WV |
2.全桥电路

| 编码 HHH LLL | 导通的管子 | 导通通道 |
| HV--->Q1---> Q4-->GND | UV | |
| HV--->Q1---> Q6-->GND | UW | |
| HV--->Q3---> Q2-->GND | VU | |
| HV--->Q3---> Q6-->GND | VW | |
| HV--->Q5---> Q2--->GND | WU | |
| HV--->Q5---> Q4--->GND | WV |
五、应用的算法有哪些
空间矢量PWM
五、代码讲解
相关文章:
运动控制--BLDC电机
一、电机的分类 按照供电电源 1.直流电机 1.1 有刷直流电机(BDC) 通过电刷与换向器实现电流方向切换,典型应用于电动工具、玩具等 1.2 无刷直流电机(BLDC) 电子换向替代机械电刷,具有高可靠性,常用于无人机、高端家电…...
Redis专题-实战篇一-基于Session和Redis实现登录业务
GitHub项目地址:https://github.com/whltaoin/redisLearningProject_hm-dianping 基于Session实现登录业务功能提交版本码:e34399f 基于Redis实现登录业务提交版本码:60bf740 一、导入黑马点评后端项目 项目架构图 1. 前期阶段2. 后续阶段导…...
【前端实战】如何让用户回到上次阅读的位置?
目录 【前端实战】如何让用户回到上次阅读的位置? 一、总体思路 1、核心目标 2、涉及到的技术 二、实现方案详解 1、基础方法:监听滚动,记录 scrollTop(不推荐) 2、Intersection Observer 插入探针元素 3、基…...
dvwa11——XSS(Reflected)
LOW 分析源码:无过滤 和上一关一样,这一关在输入框内输入,成功回显 <script>alert(relee);</script> MEDIUM 分析源码,是把<script>替换成了空格,但没有禁用大写 改大写即可,注意函数…...
关于疲劳分析的各种方法
疲劳寿命预测方法很多。按疲劳裂纹形成寿命预测的基本假定和控制参数,可分为名义应力法、局部应力一应变法、能量法、场强法等。 1名义应力法 名义应力法是以结构的名义应力为试验和寿命估算的基础,采用雨流法取出一个个相互独立、互不相关的应力循环&…...
数据库优化实战指南:提升性能的黄金法则
在现代软件系统中,数据库性能直接影响应用的响应速度和用户体验。面对数据量激增、访问压力增大,数据库性能瓶颈经常成为项目痛点。如何科学有效地优化数据库,提升查询效率和系统稳定性,是每位开发与运维人员必备的技能。 本文结…...
【Axure高保真原型】图片列表添加和删除图片
今天和大家分享图片列表添加和删除图片的原型模板,效果包括: 点击图片列表的加号可以显示图片选择器,选择里面的图片; 选择图片后点击添加按钮,可以将该图片添加到图片列表; 鼠标移入图片列表的图片&…...
XXE漏洞知识
目录 1.XXE简介与危害 XML概念 XML与HTML的区别 1.pom.xml 主要作用 2.web.xml 3.mybatis 2.XXE概念与危害 案例:文件读取(需要Apache >5.4版本) 案例:内网探测(鸡肋) 案例:执行命…...
mq安装新版-3.13.7的安装
一、下载包,上传到服务器 https://github.com/rabbitmq/rabbitmq-server/releases/download/v3.13.7/rabbitmq-server-generic-unix-3.13.7.tar.xz 二、 erlang直接安装 rpm -ivh erlang-26.2.4-1.el8.x86_64.rpm不需要配置环境变量,直接就安装了。 erl…...
第21节 Node.js 多进程
Node.js本身是以单线程的模式运行的,但它使用的是事件驱动来处理并发,这样有助于我们在多核 cpu 的系统上创建多个子进程,从而提高性能。 每个子进程总是带有三个流对象:child.stdin, child.stdout和child.stderr。他们可能会共享…...
DL00871-基于深度学习YOLOv11的盲人障碍物目标检测含完整数据集
基于深度学习YOLOv11的盲人障碍物目标检测:开启盲人出行新纪元 在全球范围内,盲人及视觉障碍者的出行问题一直是社会关注的重点。尽管技术不断进步,许多城市的无障碍设施依然未能满足盲人出行的实际需求。尤其是在复杂的城市环境中ÿ…...
华硕电脑,全新的超频方式,无需进入BIOS
想要追求更佳性能释放 或探索更多可玩性的小伙伴, 可能会需要为你的电脑超频。 但我们常用的不论是BIOS里的超频, 还是Armoury Crate奥创智控中心超频, 每次调节都要重启,有点麻烦。 TurboV Core 全新的超频方案来了 4不规…...
安全领域新突破:可视化让隐患无处遁形
在安全领域,隐患就像暗处的 “幽灵”,随时可能引发严重事故。传统安全排查手段,常常难以将它们一网打尽。你是否好奇,究竟是什么神奇力量,能让这些潜藏的隐患无所遁形?没错,就是可视化技术。它如…...
触发DMA传输错误中断问题排查
在STM32项目中,集成BLE模块后触发DMA传输错误中断(DMA2_Stream1_IRQHandler进入错误流程),但单独运行BLE模块时正常,表明问题可能源于原有线程与BLE模块的交互冲突。以下是逐步排查与解决方案: 一、问题根源…...
Vue.js教学第二十一章:vue实战项目二,个人博客搭建
基于 Vue 的个人博客网站搭建 摘要: 随着前端技术的不断发展,Vue 作为一种轻量级、高效的前端框架,为个人博客网站的搭建提供了极大的便利。本文详细介绍了基于 Vue 搭建个人博客网站的全过程,包括项目背景、技术选型、项目架构设计、功能模块实现、性能优化与测试等方面。…...
[KCTF]CORE CrackMe v2.0
这个Reverse比较古老,已经有20多年了,但难度确实不小。 先查壳 upx压缩壳,0.72,废弃版本,工具无法解压。 反正不用IDA进行调试,直接x32dbg中,dump内存,保存后拖入IDA。 这里说一下…...
Redis——Cluster配置
目录 分片 一、分片的本质与核心价值 二、分片实现方案对比 三、分片算法详解 1. 范围分片(顺序分片) 2. 哈希分片 3. 虚拟槽分片(Redis Cluster 方案) 四、Redis Cluster 分片实践要点 五、经典问题解析 C…...
Ubuntu 安装 Mysql 数据库
首先更新apt-get工具,执行命令如下: apt-get upgrade安装Mysql,执行如下命令: apt-get install mysql-server 开启Mysql 服务,执行命令如下: service mysql start并确认是否成功开启mysql,执行命令如下&am…...
结合PDE反应扩散方程与物理信息神经网络(PINN)进行稀疏数据预测的技术方案
以下是一个结合PDE反应扩散方程与物理信息神经网络(PINN)进行稀疏数据预测的技术方案,包含完整数学推导、PyTorch/TensorFlow双框架实现代码及对比实验分析。 基于PINN的反应扩散方程稀疏数据预测与大规模数据泛化能力研究 1. 问题定义与数学模型 1.1 反应扩散方程 考虑标…...
从0开始一篇文章学习Nginx
Nginx服务 HTTP介绍 ## HTTP协议是Hyper Text Transfer Protocol(超文本传输协议)的缩写,是用于从万维网(WWW:World Wide Web )服务器传输超文本到本地浏览器的传送协议。 ## HTTP工作在 TCP/IP协议体系中的TCP协议上&#…...
Java高级 |【实验八】springboot 使用Websocket
隶属文章:Java高级 | (二十二)Java常用类库-CSDN博客 系列文章:Java高级 | 【实验一】Springboot安装及测试 |最新-CSDN博客 Java高级 | 【实验二】Springboot 控制器类相关注解知识-CSDN博客 Java高级 | 【实验三】Springboot 静…...
scan_mode设计原则
scan_mode设计原则 在进行mtp controller设计时,基本功能设计完成后,需要设计scan_mode设计。 1、在进行scan_mode设计时,需要保证mtp处于standby模式,不会有擦写、编程动作。 2、只需要固定mtp datasheet说明的接口即可…...
设计模式-3 行为型模式
一、观察者模式 1、定义 定义对象之间的一对多的依赖关系,这样当一个对象改变状态时,它的所有依赖项都会自动得到通知和更新。 描述复杂的流程控制 描述多个类或者对象之间怎样互相协作共同完成单个对象都无法单独度完成的任务 它涉及算法与对象间职责…...
qt 双缓冲案例对比
双缓冲 1.双缓冲原理 单缓冲:在paintEvent中直接绘制到屏幕,绘制过程被用户看到 双缓冲:先在redrawBuffer绘制到缓冲区,然后一次性显示完整结果 代码结构 单缓冲:所有绘制逻辑在paintEvent中 双缓冲:绘制…...
2025年全国I卷数学压轴题解答
第19题第3问: b b b 使得存在 t t t, 对于任意的 x x x, 5 cos x − cos ( 5 x t ) < b 5\cos x-\cos(5xt)<b 5cosx−cos(5xt)<b, 求 b b b 的最小值. 解: b b b 的最小值 b m i n min t max x g ( x , t ) b_{min}\min_{t} \max_{x} g(x,t) bmi…...
JS设计模式(5): 发布订阅模式
解锁JavaScript发布订阅模式:让代码沟通更优雅 在JavaScript的世界里,我们常常会遇到这样的场景:多个模块之间需要相互通信,但是又不想让它们产生过于紧密的耦合。这时候,发布订阅模式就像一位优雅的信使,…...
实现p2p的webrtc-srs版本
1. 基本知识 1.1 webrtc 一、WebRTC的本质:实时通信的“网络协议栈”类比 将WebRTC类比为Linux网络协议栈极具洞察力,二者在架构设计和功能定位上高度相似: 分层协议栈架构 Linux网络协议栈:从底层物理层到应用层(如…...
Android多媒体——音/视频数据播放(十八)
在媒体数据完成解码并准备好之后,播放流程便进入了最终的呈现阶段。为了确保音视频内容能够顺利输出,系统需要首先对相应的播放设备进行初始化。只有在设备初始化成功后,才能真正开始音视频的同步渲染与播放。这一过程不仅影响播放的启动速度,也直接关系到播放的稳定性和用…...
第2篇:BLE 广播与扫描机制详解
本文是《BLE 协议从入门到专家》专栏第二篇,专注于解析 BLE 广播(Advertising)与扫描(Scanning)机制。我们将从协议层结构、广播包格式、设备发现流程、控制器行为、开发者 API、广播冲突与多设备调度等方面,全面拆解这一 BLE 最基础也是最关键的通信机制。 一、什么是 B…...
开源 vGPU 方案:HAMi,实现细粒度 GPU 切分
本文主要分享一个开源的 GPU 虚拟化方案:HAMi,包括如何安装、配置以及使用。 相比于上一篇分享的 TimeSlicing 方案,HAMi 除了 GPU 共享之外还可以实现 GPU core、memory 得限制,保证共享同一 GPU 的各个 Pod 都能拿到足够的资源。…...
