基于Arduino的自动开瓶系统
自动瓶盖开启器:结合Arduino和线性运动系统的创新解决方案
展示视频:
基于Arduino的自动开瓶器
引言
在日常生活中,开启瓶盖看似是一件简单的事情,但对于某些人来说,这可能是一个挑战。特别是对于患有类风湿性关节炎的老年人来说,传统的瓶盖开启器往往需要较大的力气和灵活性,这使得他们难以操作。为了解决这个问题,我们设计了一款自动瓶盖开启器,旨在为有特殊需求的人群提供无缝且用户友好的解决方案。本文将详细介绍这款设备的制作过程,包括所需的材料、步骤以及最终的代码实现。

材料清单
在开始制作之前,我们需要准备以下材料:
通用组件:
- Arduino Uno微控制器
- Arduino Uno螺丝端子板
- 12V DC电机JGB37-550
- BTS7960B电机驱动器
- 12V/3A电源适配器
- DC连接器适配器5.5/2.1mm至端子块
- 3A摇臂开关
- 木质板197 x 325 x 18 mm
- 5mm厚胶合板
- 瓶盖开启器
- 电缆
- 螺丝和螺母
用户界面:
- 16x2 LCD显示屏1602蓝色+I2C适配器
- 双轴XY摇杆模块
- 10kR电位器
- 6x6x5mm按钮(5个)
- 3D打印部件
线性导轨:
- 20x20 500mm V型槽铝型材
- M3 T型螺母(10个)
- 300mm d8 T8螺纹梯形螺杆
- d8 T8黄铜梯形螺母
- 极限开关(2个)
- Openbuilds偏心垫圈(2个)
- 铝制柔性爪轴联轴器
- 8mm内径轴承(2个)
- 3D打印部件
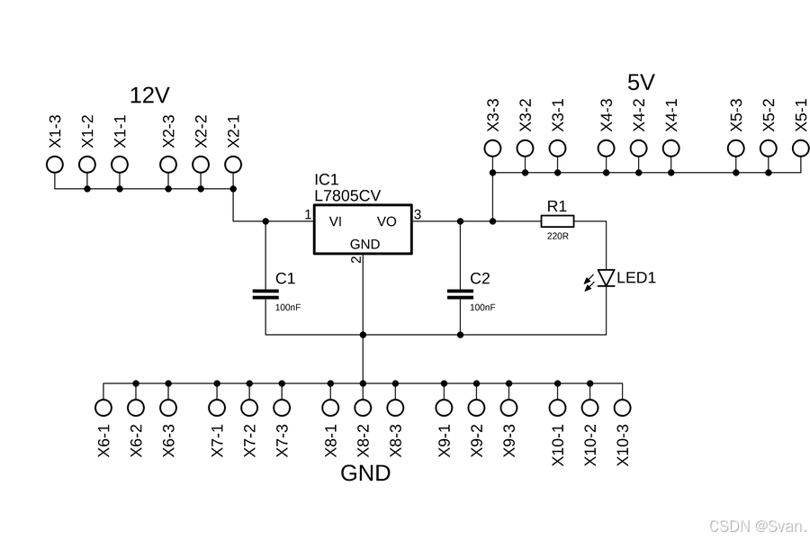
PCB:
- L7805CV
- LED
- 220R电阻
- 100nF电容器(2个)
- KF301-3P端子(10个)
工具:
- 3D打印机
- 激光切割机
- 钻床
- 烙铁
- 螺丝刀套装
制作步骤
步骤1:线性导轨
首先,我们将所有组件安装在一块197 x 325 x 18 mm的木质板上,以便使用螺丝轻松固定。V型槽铝型材作为固定线性执行器的基础,它非常通用,提供了多种附件选项。使用支架将型材固定在木质板上,支架通过螺丝固定在木质板上,并用T型螺母和螺丝固定在V型槽型材上。



步骤2:电子板
电子部件被安全地安装在一个旧的漆铜板上,这个板子作为所有控制部件的基础。这种设计确保了即使液体洒在主木质基座上,电子部件也完全受到保护。


步骤3:PCB
自动瓶盖开启器需要一个12V、5V和GND(地)的电源分配系统。为了满足这一需求,我们创建了一个定制的PCB。



步骤4:用户界面
我们3D打印了一个控制面板,为所有控制部件提供了一个方便的安装表面,包括按钮、LCD显示屏、电位器和摇杆。


步骤5:胶合板盒
为了增强产品的机械耐用性并改善其外观,我们构建了一个胶合板盒。胶合板件使用CNC激光切割,确保精确的接缝,每个部分都有交错的“牙齿”和相应的槽。


步骤6:代码
使用Arduino IDE开发环境对Arduino Uno微控制器进行编程。我们使用了LiquidCrystal_I2C库来在LCD屏幕上显示数据,简化了LCD显示屏和I2C总线之间的通信。
步骤7:结论
自动瓶盖开启器是一个结合了功能性、可访问性和用户友好性的创新解决方案。它旨在解决那些难以使用传统瓶盖开启器的人——如老年人或有身体限制的人——所面临的挑战。这个项目提供了一个可靠、自动化的方式来开启瓶盖,几乎不需要任何努力。
3D打印部件、坚固的V型槽线性导轨和定制设计的电子设备的结合,使得这个设备不仅功能强大,而且外观精美。模块化设计允许轻松组装、维护和未来升级,确保了长期的可用性。
希望你喜欢这个项目,并在构建过程中找到乐趣!如果你有任何问题或需要帮助,欢迎在评论区交流。
作者:Svan.
注意:本博文为不得在未经本人同意进行转载或者二次创作,违者必究!!!
相关文章:
基于Arduino的自动开瓶系统
自动瓶盖开启器:结合Arduino和线性运动系统的创新解决方案 展示视频: 基于Arduino的自动开瓶器 引言 在日常生活中,开启瓶盖看似是一件简单的事情,但对于某些人来说,这可能是一个挑战。特别是对于患有类风湿性关节炎…...
通过使用 contenteditable=“true“,我们彻底防止了 iOS 系统键盘的弹出
明白了,对于苹果手机(iOS),即使使用了 bindtap 和 e.preventDefault() 来阻止默认行为,系统键盘仍然可能会弹出。这是因为 iOS 对输入框的处理方式与 Android 不同,尤其是在处理 input 元素时,iOS 会更加积极地弹出键盘。 解决方案 为了彻底防止 iOS 系统键盘弹出,我…...
20241217使用M6000显卡在WIN10下跑whisper来识别中英文字幕
20241217使用M6000显卡在WIN10下跑whisper来识别中英文字幕 2024/12/17 17:21 缘起,最近需要识别法国电影《地下铁》的法语字幕,使用 字幕小工具V1.2【whisper套壳/GUI封装了】 无效。 那就是直接使用最原始的whisper来干了。 当你重装WIN10的时候&#…...
搜索召回:召回聚合
召回聚合 用户的查询意图往往是复杂多样的,可能涉及到不同的领域、主题和语义层面。因此,召回体系中通常通过多路召回的方式从不同角度去理解和满足用户的查询需求。此外,多路召回通过各召回通道并行计算可以在海量数据中能够快速响应&#…...
NTFS 文件搜索库
NTFS 文件搜索库 中文 | English 一个快速搜索NTFS卷文件的库 在这里插入图片描述 特性 快速扫描 NTFS 格式驱动器上的所有文件实时快速同步文件变更(创建, 更名, 删除)支持通配符查询文件名或文件路径重启自动更新文件变动, 无需重新进行全盘扫描 API描述 初始化并指定…...
【GoF23种设计模式】02_单例模式(Singleton Pattern)
文章目录 前言一、什么是单例模式?二、为什么要用单例模式?三、如何实现单例模式?总结 前言 提示:设计者模式有利于提高开发者的编程效率和代码质量: GoF(Gang of Four,四人帮)设计…...
UniApp:uni-segmented-control 自定义布局
自定义tabs选项,items 为tabs名称数组,横向滚动 <scroll-view scroll-x><view class"segmented-control"><view v-for"(item, index) in items" :key"index" class"control-item ":class"…...
【算法day17-day18】回溯:解决组合问题
不好意思呀各位,最近在忙期末考今天才彻底结束,来让我们继续算法之路吧~ 题目引用 组合电话号码的字母组合组合总和组合总和II分割回文串 1.组合 给定两个整数 n 和 k,返回范围 [1, n] 中所有可能的 k 个数的组合。 你可以按 任何顺序 返回…...
从监控异常发现网络安全
前言 最近在前端异常监控系统中,发现一些异常信息,从中做了一些分析,得到一些体会,因此作文。 发现异常 某天早上打开监控系统发现,当天凌晨1点过测试环境有2个前端上报的异常,报错的原因都是由于没有获取…...
Qt之自定义标题栏拓展(十)
Qt开发 系列文章 - user-defined-titlebars(十) 目录 前言 一、方式一 1.效果演示 2.创建标题栏类 3.可视化UI设计 4.定义相关函数 5.使用标题栏类 二、方式二 1.效果演示 2.创建标题栏类 3.定义相关函数 1.初始化函数 2.功能函数 3.窗口关…...
Verilog中initial的用法
在 Verilog 语言中,initial 语句用于在仿真开始时执行一次性初始化操作。它是顺序执行的,用来描述在仿真启动时立即运行的代码块,通常用于赋初值、生成波形或控制信号行为。 语法 initial begin // 语句1 // 语句2 ... end特点 只…...
(14)D-FINE网络,爆锤yolo系列
yolo过时了?传统的yolo算法在小目标检测方面总是不行,最新算法DEIM爆锤yolo,已经替yolo解决。 一、创新点 这个算法名为DEIM,全称是DETR with Improved Matching for Fast Convergence,其主要创新点在于提出了一…...
Python :冬至快乐
第1部分:基础设置 首先创建一个新的 Python 文件,命名为 fireworks.py。 步骤 1.1: 导入必要的库 import pygame import random import sys from pygame.locals import * import math import time这些库的作用: pygame: 用于创建游戏和图…...
重拾设计模式--状态模式
文章目录 状态模式(State Pattern)概述状态模式UML图作用:状态模式的结构环境(Context)类:抽象状态(State)类:具体状态(Concrete State)类&#x…...
稀疏矩阵的存储与计算 gaxpy
1, gaxpy 数学公式 其中: , , 2, 具体实例 3,用稠密矩阵的方法 本节将用于验证第4节中的稀疏计算的结果 hello_gaxpy_dense.cpp #include <stdio.h> #include <stdlib.h>struct Matrix_SP {float* val; //…...
基于LabVIEW的USRP信道测量开发
随着无线通信技术的不断发展,基于软件无线电的设备(如USRP)在信道测量、无线通信测试等领域扮演着重要角色。通过LabVIEW与USRP的结合,开发者可以实现信号生成、接收及信道估计等功能。尽管LabVIEW提供了丰富的信号处理工具和图形…...
基于LSTM长短期记忆神经网络的多分类预测【MATLAB】
在深度学习中,长短期记忆网络(LSTM, Long Short-Term Memory)是一种强大的循环神经网络(RNN)变体,专门为解决序列数据中的长距离依赖问题而设计。LSTM因其强大的记忆能力,广泛应用于自然语言处理…...
物联网:全面概述、架构、应用、仿真工具、挑战和未来方向
中文论文标题:物联网:全面概述、架构、应用、仿真工具、挑战和未来方向 英文论文标题:Internet of Things: a comprehensive overview, architectures, applications, simulation tools, challenges and future directions 作者信息&#x…...
volatility2工具的使用vol2工具篇
vol2工具 命令格式:vol.py -f [image] --profile[profile] [plugin] 1、查看系统的操作版本,系统镜像信息 2.查看用户名密码信息,当前操作系统中的password hash,例如SAM文件内容 3.从注册表提取LSA密钥信息(已解密&…...
R 基础运算
R 基础运算 R 是一种广泛使用的统计编程语言,它提供了强大的数据操作和分析功能。基础运算在 R 中非常重要,因为它们是进行更复杂计算和数据分析的基础。本文将详细介绍 R 中的基础运算,包括算术运算、逻辑运算、向量化和矩阵运算。 一、算…...
Redis相关知识总结(缓存雪崩,缓存穿透,缓存击穿,Redis实现分布式锁,如何保持数据库和缓存一致)
文章目录 1.什么是Redis?2.为什么要使用redis作为mysql的缓存?3.什么是缓存雪崩、缓存穿透、缓存击穿?3.1缓存雪崩3.1.1 大量缓存同时过期3.1.2 Redis宕机 3.2 缓存击穿3.3 缓存穿透3.4 总结 4. 数据库和缓存如何保持一致性5. Redis实现分布式…...
在rocky linux 9.5上在线安装 docker
前面是指南,后面是日志 sudo dnf config-manager --add-repo https://download.docker.com/linux/centos/docker-ce.repo sudo dnf install docker-ce docker-ce-cli containerd.io -y docker version sudo systemctl start docker sudo systemctl status docker …...
postgresql|数据库|只读用户的创建和删除(备忘)
CREATE USER read_only WITH PASSWORD 密码 -- 连接到xxx数据库 \c xxx -- 授予对xxx数据库的只读权限 GRANT CONNECT ON DATABASE xxx TO read_only; GRANT USAGE ON SCHEMA public TO read_only; GRANT SELECT ON ALL TABLES IN SCHEMA public TO read_only; GRANT EXECUTE O…...
今日科技热点速览
🔥 今日科技热点速览 🎮 任天堂Switch 2 正式发售 任天堂新一代游戏主机 Switch 2 今日正式上线发售,主打更强图形性能与沉浸式体验,支持多模态交互,受到全球玩家热捧 。 🤖 人工智能持续突破 DeepSeek-R1&…...
【Nginx】使用 Nginx+Lua 实现基于 IP 的访问频率限制
使用 NginxLua 实现基于 IP 的访问频率限制 在高并发场景下,限制某个 IP 的访问频率是非常重要的,可以有效防止恶意攻击或错误配置导致的服务宕机。以下是一个详细的实现方案,使用 Nginx 和 Lua 脚本结合 Redis 来实现基于 IP 的访问频率限制…...
站群服务器的应用场景都有哪些?
站群服务器主要是为了多个网站的托管和管理所设计的,可以通过集中管理和高效资源的分配,来支持多个独立的网站同时运行,让每一个网站都可以分配到独立的IP地址,避免出现IP关联的风险,用户还可以通过控制面板进行管理功…...
Kafka主题运维全指南:从基础配置到故障处理
#作者:张桐瑞 文章目录 主题日常管理1. 修改主题分区。2. 修改主题级别参数。3. 变更副本数。4. 修改主题限速。5.主题分区迁移。6. 常见主题错误处理常见错误1:主题删除失败。常见错误2:__consumer_offsets占用太多的磁盘。 主题日常管理 …...
永磁同步电机无速度算法--基于卡尔曼滤波器的滑模观测器
一、原理介绍 传统滑模观测器采用如下结构: 传统SMO中LPF会带来相位延迟和幅值衰减,并且需要额外的相位补偿。 采用扩展卡尔曼滤波器代替常用低通滤波器(LPF),可以去除高次谐波,并且不用相位补偿就可以获得一个误差较小的转子位…...
第一篇:Liunx环境下搭建PaddlePaddle 3.0基础环境(Liunx Centos8.5安装Python3.10+pip3.10)
第一篇:Liunx环境下搭建PaddlePaddle 3.0基础环境(Liunx Centos8.5安装Python3.10pip3.10) 一:前言二:安装编译依赖二:安装Python3.10三:安装PIP3.10四:安装Paddlepaddle基础框架4.1…...
【Linux】Linux安装并配置RabbitMQ
目录 1. 安装 Erlang 2. 安装 RabbitMQ 2.1.添加 RabbitMQ 仓库 2.2.安装 RabbitMQ 3.配置 3.1.启动和管理服务 4. 访问管理界面 5.安装问题 6.修改密码 7.修改端口 7.1.找到文件 7.2.修改文件 1. 安装 Erlang 由于 RabbitMQ 是用 Erlang 编写的,需要先安…...
